This thread has been locked.

If you have a related question, please click the "Ask a related question" button in the top right corner. The newly created question will be automatically linked to this question.

[参考译文] TLC59116:LED 未亮起。

Guru**** 2589265 points
Other Parts Discussed in Thread: TLC59116

请注意,本文内容源自机器翻译,可能存在语法或其它翻译错误,仅供参考。如需获取准确内容,请参阅链接中的英语原文或自行翻译。

https://e2e.ti.com/support/power-management-group/power-management/f/power-management-forum/568837/tlc59116-leds-are-not-glowing

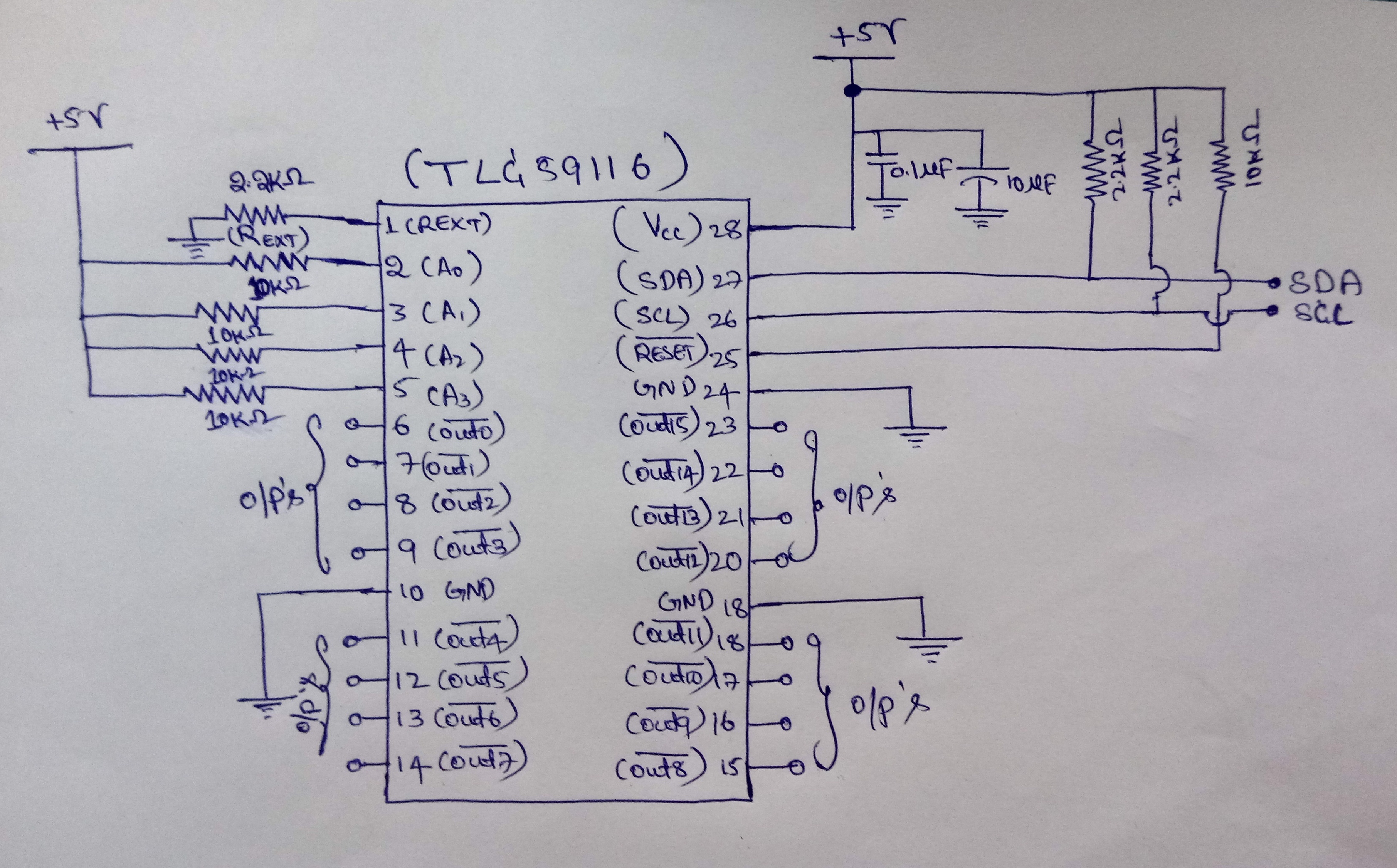
器件型号:TLC59116

您好!

我使用带 PIC18F85J11的 LED 驱动器 TLC59116。 我检查了示波器上的 I2C SDA 和 SCL 线路、没关系。 我能够写入和读取 LED 驱动器输出状态寄存器(LEDOUT0至 LEDOUT3)。 根据数据表、我正在初始化此 IC、但即使如此、LED 也不会亮起。

我在这里附上 了原理图和代码。 请有人检查我犯了什么错误。 或者、如果有人有任何示例代码仅用于点亮某些 LED。 这将会大有帮助。

谢谢

Piyush Gupta

e2e.ti.com/.../TLC_5F00_TEST.rar

  • 请注意,本文内容源自机器翻译,可能存在语法或其它翻译错误,仅供参考。如需获取准确内容,请参阅链接中的英语原文或自行翻译。
    现在、我能够让 LED 亮起、
    有一些电压问题