This thread has been locked.

If you have a related question, please click the "Ask a related question" button in the top right corner. The newly created question will be automatically linked to this question.

[参考译文] DCP020505:DCP020505输出接地噪声

Guru**** 2577385 points
Other Parts Discussed in Thread: DCP020505

请注意,本文内容源自机器翻译,可能存在语法或其它翻译错误,仅供参考。如需获取准确内容,请参阅链接中的英语原文或自行翻译。

https://e2e.ti.com/support/power-management-group/power-management/f/power-management-forum/566537/dcp020505-dcp020505-output-ground-noise

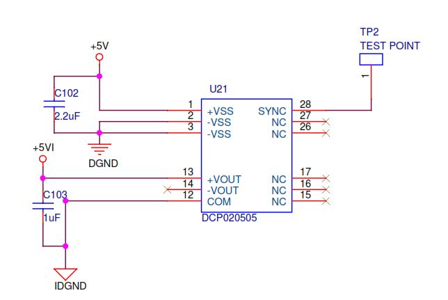
器件型号:DCP020505

您好!

我们在设计中使用 DCP020505来获得隔离式+5V 电源。 它正在正常产生+5V 电压、但问题是它在电路中产生噪声。 Sinc 我们在模拟 I/O 板中使用此芯片。

这种噪声是一个非常严重的问题、有人能建议任何降低噪声级别的解决方案。