主题中讨论的其他部件:BQ24616、、
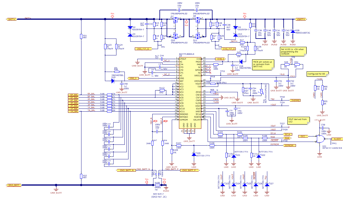
我们 直接根据 bq77PL900-EVM 原理图开发了我们的设计、该原理图在6S 锂聚合物系统的独立模式下运行。 该 AFE 器件可保护 BQ24616充电器电路、同样基于 EVM。
BQ77PL1900的 EEPROM 已通过 EV2300成功编程、并可在多个 PCBA 中按预期运行。
电池过压阈值设置为4.15V、迟滞设置为100mV。 电池欠压阈值设置为2.80V、迟滞设置为0.2V。 SC/OC 恢复条件是为独立启用的。
但是、在一个实例中、发现了 OV 和 UV 条件、从而禁用放电和充电 FET。
在未施加负载的情况 下、电池电压在工作限制范围内、但保护放电 FET 的电池系列510R 电阻器(6P 至1N)上的压降在5V 至2V 之间、这表明 VC 引脚和/或电池平衡驱动电路受损。
通过 bq77PL900评估软件诊断出该器件的所有其他功能似乎都能正常工作。
在 连接平衡连接器和 XT60电池电源时、OV 和 UV 条件可能是由静态放电引起 的、但尚未确认。
是否有其他人遇到过这种情况、是否应将 TVS 二极管放置在平衡连接器电池电阻器接头上?
欢迎提出任何建议和建议。
谢谢
Geoff
