请注意,本文内容源自机器翻译,可能存在语法或其它翻译错误,仅供参考。如需获取准确内容,请参阅链接中的英语原文或自行翻译。
器件型号:LM5160 您好!
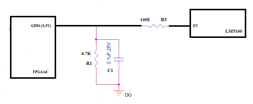
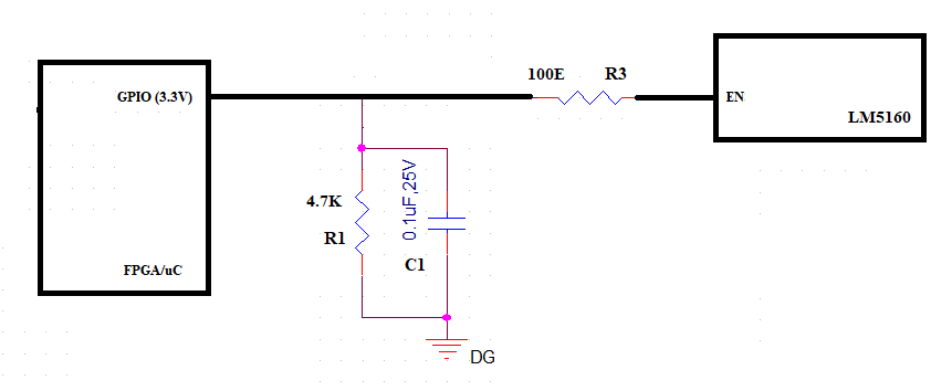
我计划从 UC/FPGA 的 GPIO 驱动'EN/UVLO 引脚'。 GPIO 不是开漏引脚。 我无法确保该 GPIO 在初始上电期间或复位期间处于接地状态。
GPIO 可在上电或复位期间处于高阻抗状态。
但我需要确保 当 GPIO 处于高阻抗状态时不会打开 LM5160。 只有当 GPIO 处于逻辑高电平(3.3V)时、LM5160才能导通。
问题1. 要满足上述要求、所附图像中显示的配置是否足够?
问题2. 如果 EN/UVLO 引脚悬空、是否默认启用 LM5160?
提前感谢
Deepak V
