This thread has been locked.

If you have a related question, please click the "Ask a related question" button in the top right corner. The newly created question will be automatically linked to this question.

[参考译文] UCC28950-Q1:同步整流误差

Guru**** 2589265 points
Other Parts Discussed in Thread: UCC28950-Q1, UCC28950

请注意,本文内容源自机器翻译,可能存在语法或其它翻译错误,仅供参考。如需获取准确内容,请参阅链接中的英语原文或自行翻译。

https://e2e.ti.com/support/power-management-group/power-management/f/power-management-forum/664478/ucc28950-q1-synchronous-rectification-error

器件型号:UCC28950-Q1
主题中讨论的其他器件: UCC28950

我注意到、尤其是在低直流输入电压和 SR 处于活动状态时、是否有人支持以下误差。

在关断期间,我注意到 E+F 漏极波形中有脉冲,同时监控每个 E+F 的栅极波形 (附图)。 以前是否遇到过此问题?

  • 请注意,本文内容源自机器翻译,可能存在语法或其它翻译错误,仅供参考。如需获取准确内容,请参阅链接中的英语原文或自行翻译。
    您好 Mark

    这可能是由于初级侧上的 ZVS 损耗造成的。您能否检查低侧 FET 的 VDS 波形及其 Vgs 波形。

    在 FET 漏极开始硬开关时、可以在非常高的 dv/dt 率下看到 ZVS 的损耗。 如果 ZVS 已丢失、您还应该在 Vgs 波形上看到米勒平坦区。

    您能量化一下所谓"低电压"的含义

    请随时发布您获取的波形、我可以查看它们。
    如果 ZVS 已丢失、那么解决方案可能是增加可用于驱动初级开关转换的能量、或减少开关节点处的杂散电容、从而使可用能量足够。

    ZVS 的损耗可能不会对效率造成太大的损失、在这种情况下、您看到的行为可能在您的特定应用中是可以接受的。

    此致
    Colin
  • 请注意,本文内容源自机器翻译,可能存在语法或其它翻译错误,仅供参考。如需获取准确内容,请参阅链接中的英语原文或自行翻译。

    下午好、Colin

    非常感谢快速响应。

    当前在168vdc 输入电压下进行测试(但该脉冲出现在较高电压但幅值较低的情况下)

    我重新检查了 ZVS 操作,在 AB/CD GATE >漏极检查(已连接)中看起来不错。

    但是效率确实还可以…

  • 请注意,本文内容源自机器翻译,可能存在语法或其它翻译错误,仅供参考。如需获取准确内容,请参阅链接中的英语原文或自行翻译。
    您好、Mark

    我同意您的看法、即初级电路是实现 ZVS。

    另一个需要注意的问题是 SR 关断时输出电感器电流是否为负(从漏极流向源极)。 检查这一点的一种相对简单的方法是改变负载电流。 随着负载电流减小、输出电感器电流的最小值可能变为负值-尽管平均值保持为正。 如果这是一种机制、那么您应该会看到尖峰随着电流的增加而消失。

    您使用的是 UCC28950-Q1、通过按照 DS 中的指令设置 DCM 引脚上的电压、SR 驱动器可在预先确定的电流下关闭。

    请告诉我您的工作方式。

    此致
    Colin
  • 请注意,本文内容源自机器翻译,可能存在语法或其它翻译错误,仅供参考。如需获取准确内容,请参阅链接中的英语原文或自行翻译。

    你(们)好,科林

    非常感谢 fb,我下周将再次研究这个问题。

    我想问的一点是,我目前使用的是垫片电感器,我想知道放置在 CD 节点而不是 AB 中是否有好处或负面的副作用-有什么想法?

    此致

    标记

  • 请注意,本文内容源自机器翻译,可能存在语法或其它翻译错误,仅供参考。如需获取准确内容,请参阅链接中的英语原文或自行翻译。

    您好、Mark

    这是一个有趣的问题。

    IEEE 出版物《软开关全桥 PWM 相移直流/直流转换器中的开关转换:分析和改进》中的 Redl et al 发表于 :电信能源大会、INTELEC '93。 第15届国际会议

    它们表示两个位置在钳位变压器电压方面同样有效、但二极管电流不同。 他们建议使用正常的 TI 惯例将电感器放置在 AP (有源/无源)桥臂中、即 CD 桥臂中。  它们的优点是减少了二极管的耗散、但-如果我正确阅读了本文-总系统电流不变、二极管耗散的减少伴随着 MOSFET 体二极管的耗散增加。 很遗憾、我无法与您分享该白皮书的副本、但您可以在互联网上找到它。
    在实践中、我们的 UCC28950 EVM 将匀场电感器放置在 PA (无源/有源)桥臂中、即"TI-Speed"中的 AB 桥臂。 虽然我知道至少有一个客户将其放在 CD 腿上,但我们的大多数客户都这样做。
    此致
    Colin
  • 请注意,本文内容源自机器翻译,可能存在语法或其它翻译错误,仅供参考。如需获取准确内容,请参阅链接中的英语原文或自行翻译。
    你(们)好,科林

    非常感谢您的详细介绍,我将与 AB Leg 方法保持一致。

    还有一点,我有3kW 主/从设置,想知道是否有任何指南,特别是布局方面的指南?

    此致

    标记
  • 请注意,本文内容源自机器翻译,可能存在语法或其它翻译错误,仅供参考。如需获取准确内容,请参阅链接中的英语原文或自行翻译。

    您好、Mark

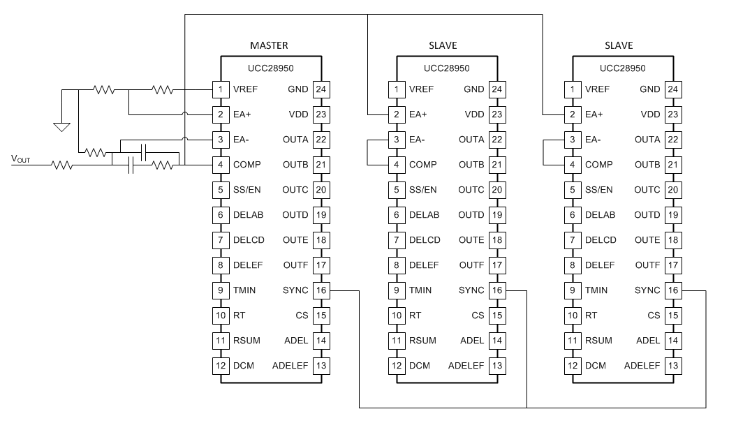
    下面的这个图表大体上显示了如何使用 UCC28950来设置一个具有同步功能的主从布置。 同步实际上在这里是可选的、但它具有某种意义、因为它将降低两个非同步振荡器产生的拍频可闻噪声。 开关噪声也将是同步的、这很有用、因为从一个功率级交叉耦合到另一个功率级的任何开关噪声都将始终出现在 CS 斜坡上的同一位置、并且不太可能因噪声而导致不必要的占空比抖动 信号上的尖峰。 SYNC 信号也是幅值相对较高的数字信号、可轻松地从主器件向从器件传输、而不会过度失真。

    主器件的 COMP 输出必须以菊花链形式连接到从器件。 根据两个控制器之间的物理距离、您可能需要执行以下操作之一

    只需将 COMP 从主器件连接到从器件即可。

    在连接到从器件的主 COMP 输出端添加缓冲器。

    使用全差分连接 COMP 和 GND 将 COMP 信号传送到从设备

    在所有情况下、我都会在从器件上使用高频 RC 滤波器

    没有介绍布局注意事项的文档、但如果认识到布局很重要、当然需要注意布局、以最大限度地降低功率级的噪声拾取。 您需要能够确保主器件和从器件的 GND 基准实际上处于同一电位-或者为 COMP 信号使用差分连接。 接地层在降低 E 场噪声方面表现良好、但对 H 场干扰无效、因此应使信号线远离 H 场源(变压器和电感器)。 接地层中不应有槽、如果有槽、则应在槽周围布置信号布线-即信号线应在接地层铜上布线。 保持 SYNC 信号和 OUTx 信号远离 CS 信号。 请勿在 IC 体下方运行 SYNC 或 OUTx 信号(除非存在中间的接地层)

    我很乐意查看您正在考虑的任何布局-


    此致
    Colin