This thread has been locked.

If you have a related question, please click the "Ask a related question" button in the top right corner. The newly created question will be automatically linked to this question.

[参考译文] BQ76940:引导检测器(TS1引脚)

Guru**** 2587365 points
Other Parts Discussed in Thread: BQ76940

请注意,本文内容源自机器翻译,可能存在语法或其它翻译错误,仅供参考。如需获取准确内容,请参阅链接中的英语原文或自行翻译。

https://e2e.ti.com/support/power-management-group/power-management/f/power-management-forum/661167/bq76940-boot-detector-ts1-pin

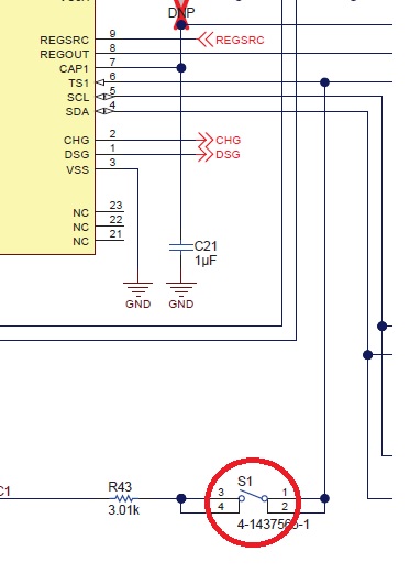
器件型号:BQ76940

尊敬的 TI:

必须操作连接到 BQ76940 IC 的6引脚 TS1端子的开关以施加子电池电压、IC 将运行。
但是、我想问、是否有任何方法可以使开关自动运行而无需手动操作开关。