This thread has been locked.

If you have a related question, please click the "Ask a related question" button in the top right corner. The newly created question will be automatically linked to this question.

[参考译文] TPS25982:以 BPS 为单位使用

Guru**** 2512705 points
Other Parts Discussed in Thread: TPS25982, TPS25946, TPS25940, TPS25947

请注意,本文内容源自机器翻译,可能存在语法或其它翻译错误,仅供参考。如需获取准确内容,请参阅链接中的英语原文或自行翻译。

https://e2e.ti.com/support/power-management-group/power-management/f/power-management-forum/1182247/tps25982-use-in-bps

器件型号:TPS25982
主题中讨论的其他器件:TPS2595TPS25946TPS25940TPS25947

是否可以将 TPS25982用作双向电源开关(例如本 应用手册中的 TPS2595示例)?  我在数据表中找不到有关从 OUT 到 IN 的反向电流的大量信息。

此致、

Cory   

  • 请注意,本文内容源自机器翻译,可能存在语法或其它翻译错误,仅供参考。如需获取准确内容,请参阅链接中的英语原文或自行翻译。

    您好、Cory、

    我建议使用 TPS25946实现双向电流。

    此致

    Kunal Goel

  • 请注意,本文内容源自机器翻译,可能存在语法或其它翻译错误,仅供参考。如需获取准确内容,请参阅链接中的英语原文或自行翻译。

    您好、Kunal、

    遗憾的是、TPS25946无法在我的应用中工作、因为我需要在一个方向上提供10A 电流。

    有关我的应用的更多信息:我们有一个高容量4芯锂离子电池(~12V 至16.5V)。  放电时、我们需要允许10A 的电流消耗、但电池最多只能充电3A  TPS25982是否可以背靠背工作、或者是否有不同的双向电子保险丝以该电流消耗工作?

    此致、

    Cory

  • 请注意,本文内容源自机器翻译,可能存在语法或其它翻译错误,仅供参考。如需获取准确内容,请参阅链接中的英语原文或自行翻译。

    您好、Cory、

    您是否需要双向电流限制?

    此致

    Kunal Goel

  • 请注意,本文内容源自机器翻译,可能存在语法或其它翻译错误,仅供参考。如需获取准确内容,请参阅链接中的英语原文或自行翻译。

    两个方向都是首选的、但不是必需的。  确实需要在10A 方向上进行电流限制。

    此致、

    Cory  

  • 请注意,本文内容源自机器翻译,可能存在语法或其它翻译错误,仅供参考。如需获取准确内容,请参阅链接中的英语原文或自行翻译。

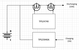
    我想 、可能最好将两个电子保险丝并联反向放置。  是否有这样的效果?  这两个电子保险丝始终阻断反向电流。

    此致、

    Cory

  • 请注意,本文内容源自机器翻译,可能存在语法或其它翻译错误,仅供参考。如需获取准确内容,请参阅链接中的英语原文或自行翻译。

    是的、这是可能的。 您可以使用 TPS25947而不是 TPS25940。

  • 请注意,本文内容源自机器翻译,可能存在语法或其它翻译错误,仅供参考。如需获取准确内容,请参阅链接中的英语原文或自行翻译。

    您好、Kunal、

    是的、我看过 TPS25947、 TPS259470A 版本看起来非常适合我的应用。  遗憾 的是、TPS259472L 是目前唯一库存中的型号。  我想我现在必须使用 TPS25940、并 在 TPS259470A 再次可用时切换到它。

    感谢你的帮助!

    此致、

    Cory