Other Parts Discussed in Thread: TPS562209
请注意,本文内容源自机器翻译,可能存在语法或其它翻译错误,仅供参考。如需获取准确内容,请参阅链接中的英语原文或自行翻译。
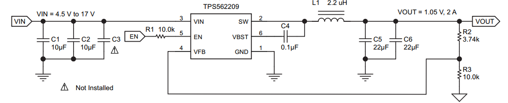
器件型号:TPS562209 大家好、
第13页的 TPS562209数据表显示 、为了提高极轻负载时的效率、考虑使用较大值的电阻器、电阻过高将更容易受到噪声的影响、VFB 输入电流产生的电压误差将更加明显。 以下是我的三个问题、您能提供帮助吗? 谢谢你。
1. "电阻过高将更容易受到噪声的影响"是什么意思? 这是否意味着较大的电阻器具有较大的热噪声、因此 VFB 引脚上的电压具有较大的误差?
2." VFB 输入电流的电压误差"是什么意思?
3.如何估计误差? 是否有任何有关它的文档?
我已通过更改为更小的电阻器来解决客户对于更大电阻器的问题、并希望与您分享。
我的客户希望获得1.3V 输出电压、因此他选择 R2=110k 和 R3=150k、Vout 和 SW 处的波形如下。 但是、当我更改 R2=20k 和 R3=27k 时、Vout 变为正常。
此致、
Hao


