This thread has been locked.

If you have a related question, please click the "Ask a related question" button in the top right corner. The newly created question will be automatically linked to this question.

[参考译文] LM5161:您能告诉我有关如何设计 LM5161#39的反向降压电路图&quot 的信息吗?

Guru**** 2510095 points


请注意,本文内容源自机器翻译,可能存在语法或其它翻译错误,仅供参考。如需获取准确内容,请参阅链接中的英语原文或自行翻译。

https://e2e.ti.com/support/power-management-group/power-management/f/power-management-forum/651808/lm5161-could-you-tell-me-about-how-to-design-lm5161-s-inverting-buck-circuit-diagram

器件型号:LM5161

e2e.ti.com/.../648215

↑:基于这个线程、我设置了一个新线程。

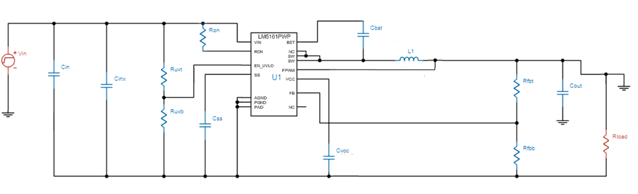
当生成负电压电路时、我将假定以下电路图。


<规格>

输入电压:20至36.6V

输出电压:-12V

输出电流:0.3A

在使用此规范进行设计时、您能告诉我外设器件的设置值吗?

(即使电路图中有错误、也请进行更正。)

此致、

Masumi Sekiguchi

  • 请注意,本文内容源自机器翻译,可能存在语法或其它翻译错误,仅供参考。如需获取准确内容,请参阅链接中的英语原文或自行翻译。

    您好!

    请使用器件数据表进行组件计算。

    需要考虑以下事项:

    1. Vimax < Vdevmax + Vout
    2. 占空比=(-Vout)/(Vin - Vout)
    3. 最大输出电流<(Iclmin - IindRIPPL/2) x (1 -Dmax)

    其他参数可按常规降压转换器计算。

    请参阅您在帖子开头提到的帖子中的应用程序模式。

    此致

    Brani