This thread has been locked.

If you have a related question, please click the "Ask a related question" button in the top right corner. The newly created question will be automatically linked to this question.

[参考译文] BQ25895:bq25895的 REGN 问题

Guru**** 2581345 points
Other Parts Discussed in Thread: BQ25895

请注意,本文内容源自机器翻译,可能存在语法或其它翻译错误,仅供参考。如需获取准确内容,请参阅链接中的英语原文或自行翻译。

https://e2e.ti.com/support/power-management-group/power-management/f/power-management-forum/638719/bq25895-regn-of-bq25895-question

器件型号:BQ25895

大家好、

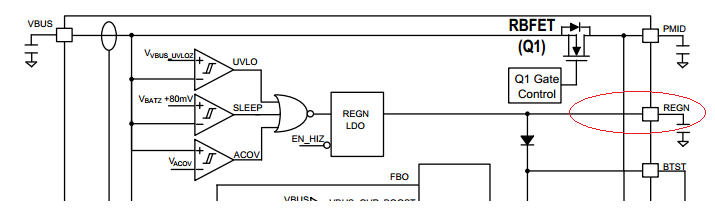
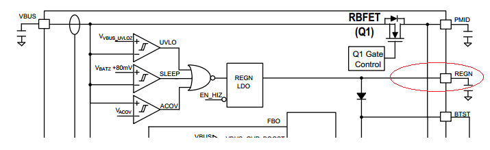
我是否可以知道 bq25895内部 LDO 的 REGN 来自哪个电源?
在适配器模式下、我们使用 REGN 对热调节进行编程。
在电池模式下、我们发现 REGN 在电池放电期间没有输出电压机具过热保护、对吧?

  • 请注意,本文内容源自机器翻译,可能存在语法或其它翻译错误,仅供参考。如需获取准确内容,请参阅链接中的英语原文或自行翻译。

    在充电和升压模式下、REGN 由 PMID 供电。  在电池中、REGN 未通电、因此未提供 TS 功能。

  • 请注意,本文内容源自机器翻译,可能存在语法或其它翻译错误,仅供参考。如需获取准确内容,请参阅链接中的英语原文或自行翻译。
    尊敬的 Jeff:

    好的。 方框图是忽略 PMID 和 REGN 之间的节点、对吧?

    John
  • 请注意,本文内容源自机器翻译,可能存在语法或其它翻译错误,仅供参考。如需获取准确内容,请参阅链接中的英语原文或自行翻译。
    方框图仅显示了 LDO 的逻辑控制。