请注意,本文内容源自机器翻译,可能存在语法或其它翻译错误,仅供参考。如需获取准确内容,请参阅链接中的英语原文或自行翻译。
器件型号:BQ78350 主题中讨论的其他器件:BQ76930、
大家好
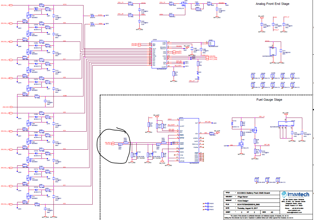
在上述帖子中、我要求确定我们是否需要为我们的新 BMS 解决方案实施隔离电路。 遗憾 的是、在 DSG MOSFET 由于 CUV 条件而禁用后、BMS 板和主机(微控制器)之间的泄漏电流会使电池组过度放电并进入关断模式。
我们面临着一个巨大的问题、我们需要您的帮助来确定一个高效的解决方案。 请尽快联系我们。 主机和 BMS 板原理图如下所示:
提前感谢
