This thread has been locked.

If you have a related question, please click the "Ask a related question" button in the top right corner. The newly created question will be automatically linked to this question.

[参考译文] TPS7A90:封装信息

Guru**** 2609285 points
Other Parts Discussed in Thread: TPS7A91, TPS7A90

请注意,本文内容源自机器翻译,可能存在语法或其它翻译错误,仅供参考。如需获取准确内容,请参阅链接中的英语原文或自行翻译。

https://e2e.ti.com/support/power-management-group/power-management/f/power-management-forum/649596/tps7a90-package-information

器件型号:TPS7A90
主题中讨论的其他器件:TPS7A91

您好!

 

我需要一些有关 TPS7A90和 TPS7A91的其他封装信息。

 

1。

散热焊盘和端子引脚是否位于完全相同的平面上?

 

2.

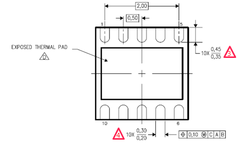
我需要下图中的1、2、3和4的平均值。

是否可以简单地按(max+min)/2进行计算

 

 

 

 

 

 

此致、

OBA

  • 请注意,本文内容源自机器翻译,可能存在语法或其它翻译错误,仅供参考。如需获取准确内容,请参阅链接中的英语原文或自行翻译。
    您好、Oba、

    散热焊盘和端子引脚在此封装中位于同一平面上。

    您还应该能够通过取 min+max/2来计算这些尺寸的平均值。 这应该给出所有单元上这些参数的平均值。

    此致、
    标记