This thread has been locked.

If you have a related question, please click the "Ask a related question" button in the top right corner. The newly created question will be automatically linked to this question.

[参考译文] UCC28C43问题

Guru**** 2523360 points
Other Parts Discussed in Thread: UCC28C43, UC2843A

请注意,本文内容源自机器翻译,可能存在语法或其它翻译错误,仅供参考。如需获取准确内容,请参阅链接中的英语原文或自行翻译。

https://e2e.ti.com/support/power-management-group/power-management/f/power-management-forum/737166/question-of-ucc28c43

主题中讨论的其他器件:UCC28C43UC2843A

在这个 e2e 问题中、我们已经提出了栅极驱动器问题。

e2e.ti.com/.../6283.UCC28C43.docx

请告诉我们有关随附文档的20%固定占空比的电路。

我们想知道 有关外部零件的公式。

此致、

西泽高郎

  • 请注意,本文内容源自机器翻译,可能存在语法或其它翻译错误,仅供参考。如需获取准确内容,请参阅链接中的英语原文或自行翻译。

     你好,西泽高郎

    很抱歉耽误您的回答。

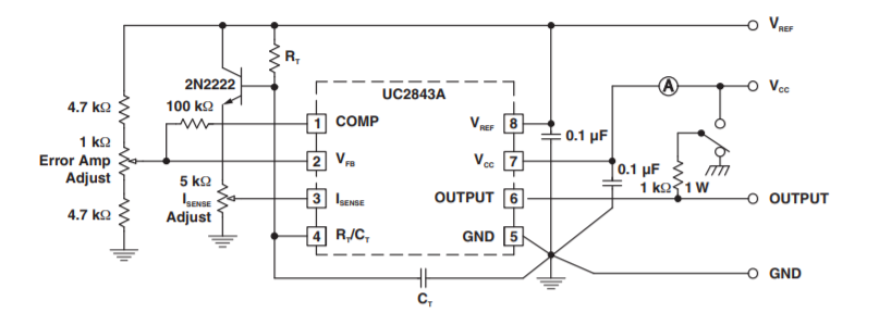
    您的原理图显示了开环设置中的 UCC28C43控制器仿真。

    误差放大器的输入接地、这将导致最大 PWM 输出。

    所附的原理图显示了如何通过调整 VFB 引脚上的电压来实现可变 PWM 输出。

    这取自 UC2843A 数据表的开环测试图。

    请在误差放大器的输入端使用可调电压来修改您的电路、以实现所需的占空比。

    此致

    John