This thread has been locked.

If you have a related question, please click the "Ask a related question" button in the top right corner. The newly created question will be automatically linked to this question.

[参考译文] BQ28Z610:BQ28Z610 VC1和 VC2的输入电阻

Guru**** 2482225 points
Other Parts Discussed in Thread: BQ28Z610

请注意,本文内容源自机器翻译,可能存在语法或其它翻译错误,仅供参考。如需获取准确内容,请参阅链接中的英语原文或自行翻译。

https://e2e.ti.com/support/power-management-group/power-management/f/power-management-forum/691770/bq28z610-input-resistance-for-bq28z610-vc1-and-vc2

器件型号:BQ28Z610

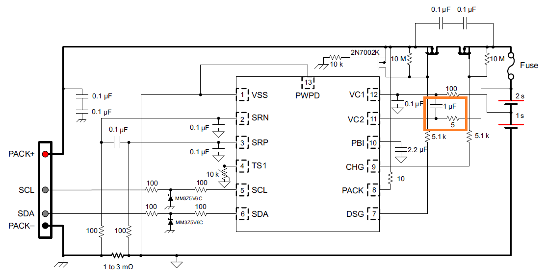
我们将 BQ28Z610用于1S 坚固结构、短接 VC1和 VC2。

VC1的输入电阻为100欧姆、电容为0.1uF。

在电源设置为3800mV 时、SBS.Voltage 的范围为3791至3799mV。

如果 VC1的输入电阻变为5.1欧姆、 则 SBS.Voltage 在3799mV 时保持稳定。

因此、我们想知道输入电阻的范围。

e2e.ti.com/.../BQ28Z610-voltage.log.xlsx

  • 请注意,本文内容源自机器翻译,可能存在语法或其它翻译错误,仅供参考。如需获取准确内容,请参阅链接中的英语原文或自行翻译。
    尊敬的奥斯汀:

    您是在引脚上短接还是在电阻器外部短接? 是的、您只能将电阻器更改为5欧姆、因为您提到的电阻器是电池平衡电阻器、在您的情况下不需要它。
  • 请注意,本文内容源自机器翻译,可能存在语法或其它翻译错误,仅供参考。如需获取准确内容,请参阅链接中的英语原文或自行翻译。

    主席先生,你好:

      我们在 IC 引脚处将 VC1和 VC2短接。

      我们想知道输入电阻器的范围(所附原理图的 R15)。

      当 R15 = 100欧姆时、SBS.Voltage 变化迅速、当 R15 = 5.1欧姆时、它将保持稳定。

  • 请注意,本文内容源自机器翻译,可能存在语法或其它翻译错误,仅供参考。如需获取准确内容,请参阅链接中的英语原文或自行翻译。
    将 R15替换为5欧姆。 解决该问题的方法。 您可以高达10欧姆。 我想您是根据参考设计 EVM 完成的、其中将100欧姆和5欧姆电阻连接在一起。 使用5欧姆电阻、您将不会看到噪声。
  • 请注意,本文内容源自机器翻译,可能存在语法或其它翻译错误,仅供参考。如需获取准确内容,请参阅链接中的英语原文或自行翻译。
    您是否会将1个系列的参考原理图添加到数据表中?
    此外,建议使用哪个 FW 版本?
    EEPROM 在 V0.17、V0.20和 TRM 文档之间存在一些差异。
  • 请注意,本文内容源自机器翻译,可能存在语法或其它翻译错误,仅供参考。如需获取准确内容,请参阅链接中的英语原文或自行翻译。

    请使用 v.20。 我将要求系统工程师更新 DS。

  • 请注意,本文内容源自机器翻译,可能存在语法或其它翻译错误,仅供参考。如需获取准确内容,请参阅链接中的英语原文或自行翻译。

     e2e.ti.com/.../BQ28Z610-1S-Schematic-.pdfHi电池:

      我们想知道 VC1和 VC2之间1uF 电容器的功能。

      客户询问我们、IC 的 VCC 应该具有稳压器电容器。

      如果我们需要为 IC 的 VCC 添加一个电容器, 我们是否可以在 VC1上添加它?

     (1系列结构,VC1短接,VC2。  因此,VC1将有0.1uF 和1uF?)

  • 请注意,本文内容源自机器翻译,可能存在语法或其它翻译错误,仅供参考。如需获取准确内容,请参阅链接中的英语原文或自行翻译。
    电容可消除差模噪声。 是的、您可以将其删除。