This thread has been locked.

If you have a related question, please click the "Ask a related question" button in the top right corner. The newly created question will be automatically linked to this question.

[参考译文] LMZM33606:封装焊盘长度

Guru**** 2386610 points
Other Parts Discussed in Thread: LMZM33606
请注意,本文内容源自机器翻译,可能存在语法或其它翻译错误,仅供参考。如需获取准确内容,请参阅链接中的英语原文或自行翻译。

https://e2e.ti.com/support/power-management-group/power-management/f/power-management-forum/713690/lmzm33606-pad-length-in-footprint

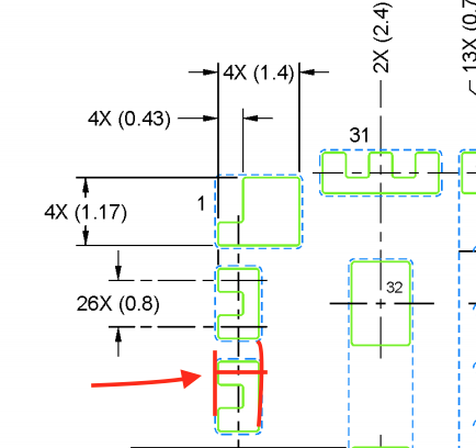
器件型号:LMZM33606

您好!

在 LMZM33606封装图中查找焊盘长度时遇到问题。 我用红色标记了我在图像中查找的尺寸。 我是否错过了它?

谢谢、

David

  • 请注意,本文内容源自机器翻译,可能存在语法或其它翻译错误,仅供参考。如需获取准确内容,请参阅链接中的英语原文或自行翻译。

    David、

    它在以下位置为0.4分钟、0.6最大27个位置: