This thread has been locked.

If you have a related question, please click the "Ask a related question" button in the top right corner. The newly created question will be automatically linked to this question.

[参考译文] TPS65217:TPS65217CRSLR 引脚电压问题

Guru**** 2392905 points


请注意,本文内容源自机器翻译,可能存在语法或其它翻译错误,仅供参考。如需获取准确内容,请参阅链接中的英语原文或自行翻译。

https://e2e.ti.com/support/power-management-group/power-management/f/power-management-forum/684208/tps65217-tps65217crslr-pin-voltage-issue

器件型号:TPS65217

我需要一些帮助。

我 在电路上使用 TPS65217CRSLR。

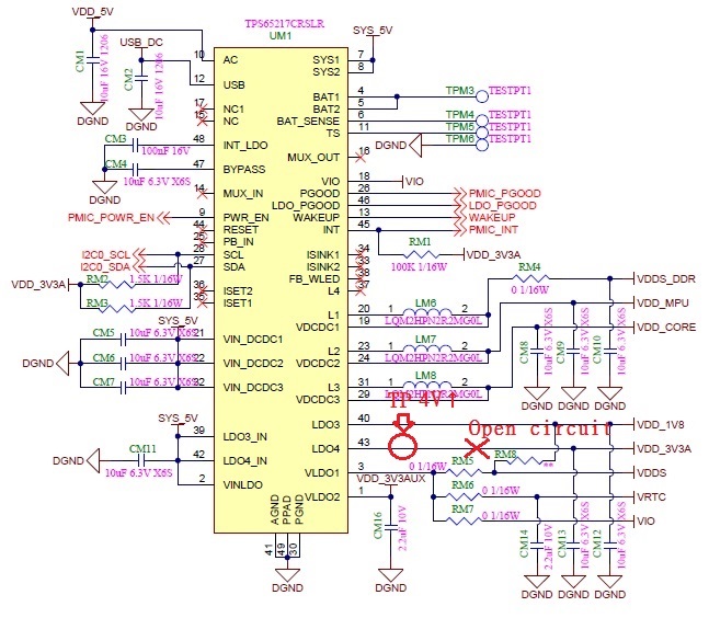
在规范中、引脚编号43 (LDO4)输出电压应 稳定在3.3V。 (输入= 5V)

但 我的电路板上的测量值已超过4V (直接在 IC 引脚上测量电压、移除后电路)

这种情况不符合规格。

我该如何解决此问题?

谢谢你。

测试点

   

测量结果 如下所示

  • 请注意,本文内容源自机器翻译,可能存在语法或其它翻译错误,仅供参考。如需获取准确内容,请参阅链接中的英语原文或自行翻译。
    张您好、
    您能不能发布您的原理图。
    此致、
    Raheem
  • 请注意,本文内容源自机器翻译,可能存在语法或其它翻译错误,仅供参考。如需获取准确内容,请参阅链接中的英语原文或自行翻译。

  • 请注意,本文内容源自机器翻译,可能存在语法或其它翻译错误,仅供参考。如需获取准确内容,请参阅链接中的英语原文或自行翻译。

    你(们)好, Raheem

    TP 是我的测试点、该点在规格中应为3.3V。

    但电压超过4V、因此我不知道如何解决这个问题。

    生产日期代码是否可能存在问题?

  • 请注意,本文内容源自机器翻译,可能存在语法或其它翻译错误,仅供参考。如需获取准确内容,请参阅链接中的英语原文或自行翻译。
    在不像降压转换器那样切换的 LDO 上、您似乎有一个要测量的周期性信号(频率= 50kHz)。

    最小值为3.36V、这很好、但我同意您的意见、最大值5.12V 不好。

    这是一个电源器件、但您的所有 GND 标识符都标记为"GND"。
    您能否确认电路板的某个位置没有其他 GND 网? 通常、电源器件通过专用于接地连接的1或2个 PCB 层连接到电路板的主 GND 网络、但如果 DGND 是您的唯一接地端、则这是命名问题、不一定是 PCB 布局问题。

    为了进一步调试、除了 LDO4之外、它还有助于查看示波器截图、以显示输入电压(AC 或 USB)、SYS 电压和 LDO2电压。

    在我看来、LDO4在充当负载开关(VLDO4 = 5.12V)和 LDO (VLDO4 = 3.3V)之间交替、但我还不能告诉您发生这种情况的原因。

    您拥有的每块电路板上是否都会出现此问题、或者仅在某些电路板上出现此问题?
  • 请注意,本文内容源自机器翻译,可能存在语法或其它翻译错误,仅供参考。如需获取准确内容,请参阅链接中的英语原文或自行翻译。

    DGND 是我唯一的接地端、我的板上没有其他 GND 网。

    每个电路板上都会出现此问题。

    我按如下方式进行了测量

    1.同一窗口中的所有平均电压, 并在负载条件下测量

    C1 =>交流电压

    C2 => SYS 电压

    C3 => LDO2 电压

    C4 => LDO4 电压

    交流引脚的平均电压、最大电压、最小电压和 rms 电压  

     SYS 引脚的平均电压、最大电压、最小电压和 rms 电压  

    4.LDO2引脚的平均电压、最大电压、最小电压和 rms 电压  

    5. 来自 LDO4引脚的平均电压、最大电压、最小电压和 rms 电压  

    如果您仍需要任何信息来澄清问题 、请告诉我。

    感谢您的帮助和回复。  

  • 请注意,本文内容源自机器翻译,可能存在语法或其它翻译错误,仅供参考。如需获取准确内容,请参阅链接中的英语原文或自行翻译。

    我的问题是您测试 PCB 的方式:

    • CM13 -移除了 LDO4的旁路电容器、这也可以在您分享的照片中看到
    • 测量位置直接位于引脚上、没有电流流动的信号/电源路径- 您的原理图显示引脚旁边存在开路、但在照片中、我无法验证在 PCB 上创建开路的位置

    为了正确测试这一点、您应该保持 CM13的安装状态、并且需要 LDO4的输出越过 CM13之后出现开路(断路)。

    LDO 需要旁路电容器、移除该电容器不会显示 LDO 的真实性能。 它肯定会有更多的纹波、因为电流不会从器件流出。

    在不 Ω CM13的测试中、您看到的是预期行为:LDO 短暂导通、然后反馈感应确定电压过高、并启用放电电阻器(输出= 375 μ A 时的 RDIS 内部放电电阻器)以耗散电压。)

    为了查看系统中 LDO4的实际性能、您需要重新安装 CM13、并在电源可以通过该电容器后在 PCB 上的某个点再次进行测试。