This thread has been locked.

If you have a related question, please click the "Ask a related question" button in the top right corner. The newly created question will be automatically linked to this question.

[参考译文] BQ76PL536:CBN 切换速度有多快

Guru**** 2589265 points
Other Parts Discussed in Thread: BQ76PL536

请注意,本文内容源自机器翻译,可能存在语法或其它翻译错误,仅供参考。如需获取准确内容,请参阅链接中的英语原文或自行翻译。

https://e2e.ti.com/support/power-management-group/power-management/f/power-management-forum/685078/bq76pl536-how-fast-can-cbn-switch

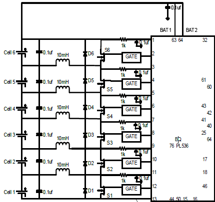
器件型号:BQ76PL536

您好!

我正在为我的6节电池设计电池管理系统、我希望以100kHz 的频率驱动 MOSFET。

那么、BQ76PL536的 CBN 输出能否在此频率下驱动、如果不能、我可以知道最大开关频率是多少?

在这里、我为每个 MOSFET 使用了外部栅极、以便我可以提供10/12V 来正确驱动它。

  • 请注意,本文内容源自机器翻译,可能存在语法或其它翻译错误,仅供参考。如需获取准确内容,请参阅链接中的英语原文或自行翻译。

    尊敬的 Karim:

    对于 bq76PL455和 bq76PL536、CBN 引脚由主机 MCU 的寄存器写入控制。 要以100kHz 的频率进行开关、这意味着您的 MCU 必须如此  

    1) 1)发送开关开启命令

    2) 2)发送 switch off 命令

    在1us 之内、如果您有任何逻辑/调节环路、这将忽略您的任何时间。 这意味着您必须每500ns 发送一次命令。 PL455或536都不能支持此通信波特率。

    如果您要使用监控器、则扼流点可能是通信接口的带宽。 我认为您可能需要降低开关频率或利用类似 DSP 的功能