请注意,本文内容源自机器翻译,可能存在语法或其它翻译错误,仅供参考。如需获取准确内容,请参阅链接中的英语原文或自行翻译。
器件型号:UCC2897A 主题中讨论的其他器件: TLVH431、 TL431
您好!
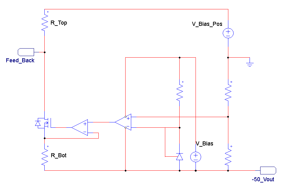
我正在与客户一起使用电源。 我们有关于误差放大器的一些问题。 我们希望从 UCC2897A 产生负输出电压、并使用外部运算放大器作为误差放大器。
他们希望避免使用 TL431/光耦合器组合、因为输出电压为-50V、并且必须添加大量额外的电路才能使其正常工作。 由于它不是隔离式输出、因此运算放大器应该能够满足这一要求。 他们确实使用了 TLVH431并使用更高电压的晶体管对其输出进行了电平转换、从而尝试了这种方法。 它们具有控制环路和电路寄生效应的一些混合响应。 他们更愿意回到运算放大器方法。
我没有找到有关为此类输出设置误差放大器的大量文档。 是否有关于如何将外部误差放大器与 UCC2897A 正确集成的建议?
此致、
Ryan B.

