This thread has been locked.

If you have a related question, please click the "Ask a related question" button in the top right corner. The newly created question will be automatically linked to this question.

[参考译文] LP3997:在输入电压切换期间在 LP3997的 Vout 处观察到的启动电压

Guru**** 2556160 points
Other Parts Discussed in Thread: LP3997

请注意,本文内容源自机器翻译,可能存在语法或其它翻译错误,仅供参考。如需获取准确内容,请参阅链接中的英语原文或自行翻译。

https://e2e.ti.com/support/power-management-group/power-management/f/power-management-forum/679895/lp3997-shootup-voltage-observed-at-the-vout-of-lp3997-during-vin-switching

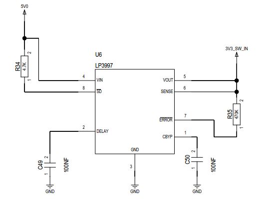
器件型号:LP3997

LP3997输出端观察到的启动电压。

施加的 Vin:4.4V
Vout 波形。
我们还附加了我们提到的原理图。
Vin 和 Vout 上的电容器大约为10uF。
击穿电压背后的原因是什么?
在正常工作条件下、IC 工作正常、产生3、3V 输出电压。
开关完成时、意味着连接、断开观察到的4.4V 击穿。

  • 请注意,本文内容源自机器翻译,可能存在语法或其它翻译错误,仅供参考。如需获取准确内容,请参阅链接中的英语原文或自行翻译。
    您好、Gautam、

    流动的负载电流是多少? R34的用途是什么? "开关"是什么意思? 将输入连接到4.4V 还是切换/SD 引脚?

    Kai
  • 请注意,本文内容源自机器翻译,可能存在语法或其它翻译错误,仅供参考。如需获取准确内容,请参阅链接中的英语原文或自行翻译。
    您好!
    负载电流>50mA
    我们在 SD 引脚上放置了 R34 (4.7kOhm)(数据表中 SD 引脚的作用)
    我们还检查了将 R34设置为0欧姆。 (观察到的 Vout 过冲问题相同)
    关断
    SD 控制 LP3997的导通和关断。 当 SD 引脚上的电压为时、可确保 VOUT 导通
    大于0.95V。 当 SD 引脚上的电压低于0.4V 时、可确保 VOUT 关闭。

    切换意味着:
    原理图中的5V0点连接开/关(快速)
    导通电压:4.4V
    关闭电压:0V
  • 请注意,本文内容源自机器翻译,可能存在语法或其它翻译错误,仅供参考。如需获取准确内容,请参阅链接中的英语原文或自行翻译。
    您好、Gautam、

    当非常快地切换 Vin 时、您可能会违反输出电压至输入电压最大额定值0.3V。 或者换句话说、您的输出电压会变得高于您的输入电压。 这可能会导致稳压器工作不正常、甚至损坏稳压器。

    如果在输出到输入之间安装保护二极管会发生什么情况?

    Kai
  • 请注意,本文内容源自机器翻译,可能存在语法或其它翻译错误,仅供参考。如需获取准确内容,请参阅链接中的英语原文或自行翻译。
    您好、Gautam、

    您是否能帮助我们了解快速开关输入电压和使能电压的用途? 开关频率是多少? 您是否还可以将 Vin 与 Vout 一起包含在范围内?

    此致、
    Jason Song
  • 请注意,本文内容源自机器翻译,可能存在语法或其它翻译错误,仅供参考。如需获取准确内容,请参阅链接中的英语原文或自行翻译。

    您好!

    我们有一个测试用例 、其中需要200ms 的开-关时间。 这是产品通用标准的一部分。

    如图像开关频率。 大约为3Hz。

    输入电压(4.4V 稳定)--粉色

    VOUT ----蓝色

    附加的图像。

    BR、  

  • 请注意,本文内容源自机器翻译,可能存在语法或其它翻译错误,仅供参考。如需获取准确内容,请参阅链接中的英语原文或自行翻译。
    您好!
    请参阅下一个主题中的 Vout/Vin 图像。

    BR、
    Gautam
  • 请注意,本文内容源自机器翻译,可能存在语法或其它翻译错误,仅供参考。如需获取准确内容,请参阅链接中的英语原文或自行翻译。
    您好、Gautam、

    这看起来像是损坏的稳压器! 取一个新的二极管、并在输出到输入之间安装保护二极管。

    Kai
  • 请注意,本文内容源自机器翻译,可能存在语法或其它翻译错误,仅供参考。如需获取准确内容,请参阅链接中的英语原文或自行翻译。
    大家好、这是一个很新鲜的地方。 我已检入5个样本。

    感谢您宝贵的时间。

    BR、
    Gautam
  • 请注意,本文内容源自机器翻译,可能存在语法或其它翻译错误,仅供参考。如需获取准确内容,请参阅链接中的英语原文或自行翻译。
    您好、Gautam、

    您可以尝试相同的测试、但使用更慢的 Vin 斜坡吗? 现在、您在两个脉冲中存在200ms 的延迟、您是否可以将其设置为1-2秒并重新采集晶圆?

    此致、
    Jason Song
  • 请注意,本文内容源自机器翻译,可能存在语法或其它翻译错误,仅供参考。如需获取准确内容,请参阅链接中的英语原文或自行翻译。
    您好、Gautam、

    您是否在输出到输入之间焊接了保护二极管?

    Kai
  • 请注意,本文内容源自机器翻译,可能存在语法或其它翻译错误,仅供参考。如需获取准确内容,请参阅链接中的英语原文或自行翻译。

    您好!

    我已经用1-2秒的时间进行了检查、工作正常。

    200ms 的问题是什么?? 我的用例是200ms。

    此致、

    Gautam

  • 请注意,本文内容源自机器翻译,可能存在语法或其它翻译错误,仅供参考。如需获取准确内容,请参阅链接中的英语原文或自行翻译。

    您好、Gautam、  

    感谢您的更新。 由于这个问题在您减慢周期时消失、我们可以确认过冲是由于在 Vin 周期之间、内部基准电压没有完全放电。 本质上、过冲是由于内部基准不为零时器件启动。 在正常启动期间、Vin 与内部基准电压成正比。 但是、当内部基准不为零时、不平衡环路会尝试将 Vout 拉高以赶上非零内部基准。  

    由于没有外部连接可使内部基准电压放电、因此很遗憾、您需要降低 Vin 周期、以防止由于不平衡环路启动而导致过冲。  

    此致、  
    Jason Song