This thread has been locked.

If you have a related question, please click the "Ask a related question" button in the top right corner. The newly created question will be automatically linked to this question.

[参考译文] UCC2897A:直流/直流转换器隔离问题

Guru**** 2386620 points
请注意,本文内容源自机器翻译,可能存在语法或其它翻译错误,仅供参考。如需获取准确内容,请参阅链接中的英语原文或自行翻译。

https://e2e.ti.com/support/power-management-group/power-management/f/power-management-forum/1187343/ucc2897a-dc_dc-converter-isolated-issue

器件型号:UCC2897A

尊敬的 TI 团队:

我设计了隔离式25A 直流/直流转换器、并采用以下参考设计、以供您参考。  当我达到15安时、系统将进入间断模式。  因此、我想知道将哪个参数设置为25A、因为该参考设计 的电流高达25A。

谢谢、此致

Ashish

  • 请注意,本文内容源自机器翻译,可能存在语法或其它翻译错误,仅供参考。如需获取准确内容,请参阅链接中的英语原文或自行翻译。

    您好!  

    美国马丁·路德·金(Jr)的假期周一关闭。 我们将在下周早些时候再次与您讨论您的问题。

    此致、

    Don

  • 请注意,本文内容源自机器翻译,可能存在语法或其它翻译错误,仅供参考。如需获取准确内容,请参阅链接中的英语原文或自行翻译。

    Ashish、您好!

    我将回顾此原理图、并在明天回来。

    您是否完全遵循了此参考设计或对其进行了修改?  

    如果您能够、可以发送您的布局和原理图吗?

    谢谢、

    Joseph

  • 请注意,本文内容源自机器翻译,可能存在语法或其它翻译错误,仅供参考。如需获取准确内容,请参阅链接中的英语原文或自行翻译。

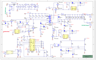
    您好、先生、

    我随附了原理图和布局供您参考、因此请查看以下规格。

    输入电压48至84

    输出电压为12V/25A

    如有任何更改、请发送电子邮件至 revert.e2e.ti.com/.../3582.Isolated-DC_5F00_DC-15_2D00_25A-Rev2.pdf

  • 请注意,本文内容源自机器翻译,可能存在语法或其它翻译错误,仅供参考。如需获取准确内容,请参阅链接中的英语原文或自行翻译。

    Ashish、您好!

    原理图中的主要区别似乎是添加了 EMI 滤波器和输出滤波器。 是这样吗?

    还有几个问题可帮助您调试设计:

    1) 1)您能否测量 CS 引脚信号? 根据数据表中的图12、此引脚上的断续模式通常在0.75V 左右跳闸。 如果此引脚上有额外的噪声或布局不良、则可能是仅达到15A 输出电流的原因。

    2) 2)您是否在不同负载条件下和15A 下测量了电路板温度和效率?

    3) 3)确保输入电压保持在过压和欠压限制范围内。

    谢谢、

    Joseph