This thread has been locked.

If you have a related question, please click the "Ask a related question" button in the top right corner. The newly created question will be automatically linked to this question.

[参考译文] TPS22971:这些电路是否可以获得线性斜升波形?

Guru**** 2382200 points
Other Parts Discussed in Thread: TPS22971, TPS27081A
请注意,本文内容源自机器翻译,可能存在语法或其它翻译错误,仅供参考。如需获取准确内容,请参阅链接中的英语原文或自行翻译。

https://e2e.ti.com/support/power-management-group/power-management/f/power-management-forum/750791/tps22971-is-these-circuit-can-get-linearly-rampup-waveform

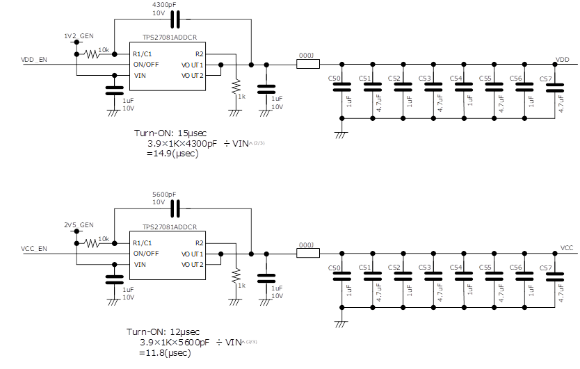
器件型号:TPS22971
主题中讨论的其他器件: TPS27081A

您好!

我们正在考虑使用负载开关、如下所示。 它们使用 TPS27081、但从 TPS27081更改为 TPS22971。

在 TPS22971数据表中、斜升波形平滑(线性)斜升。 以下电路是否也能够获得相同的线性斜升?

此致、

渡边俊弘

  • 请注意,本文内容源自机器翻译,可能存在语法或其它翻译错误,仅供参考。如需获取准确内容,请参阅链接中的英语原文或自行翻译。
    您好、Watanabe-San、

    如前一个主题所述、由于 TPS27081A 仅是 PMOS + NMOS 器件、因此它易受非线性上升时间的影响。 由于 TPs22971具有可控制和可调节的压摆率、因此它将随着输入斜升而线性上升。

    由于您的开关输出端具有大量的负载电容、您是否能够包含额外的输入电容? 这将有助于防止上行电源在启动期间因浪涌电流而下降。

    谢谢、
    黄亚瑟