This thread has been locked.

If you have a related question, please click the "Ask a related question" button in the top right corner. The newly created question will be automatically linked to this question.

[参考译文] BQ27Z561:EV2400通信正常、但 EV2300不正常。

Guru**** 2638245 points

Other Parts Discussed in Thread: BQSTUDIO, EV2400, BQ27Z561

请注意,本文内容源自机器翻译,可能存在语法或其它翻译错误,仅供参考。如需获取准确内容,请参阅链接中的英语原文或自行翻译。

https://e2e.ti.com/support/power-management-group/power-management/f/power-management-forum/730683/bq27z561-ev2400-communication-is-ok-but-ev2300-not

器件型号:BQ27Z561
主题中讨论的其他器件:EV2400BQSTUDIObq27541

您好!

  我客户的电池组可以通过 ev2400连接到 bqStudio、但 通过 EV2300无法连接。

EV2300 i2c  通过4.7K 电阻器上拉至3.3V 、并连接到 bq27541很好、

但无法连接到 bq27z561。 奇怪的是、我认为 EV2300时钟频率低于 ev2400。

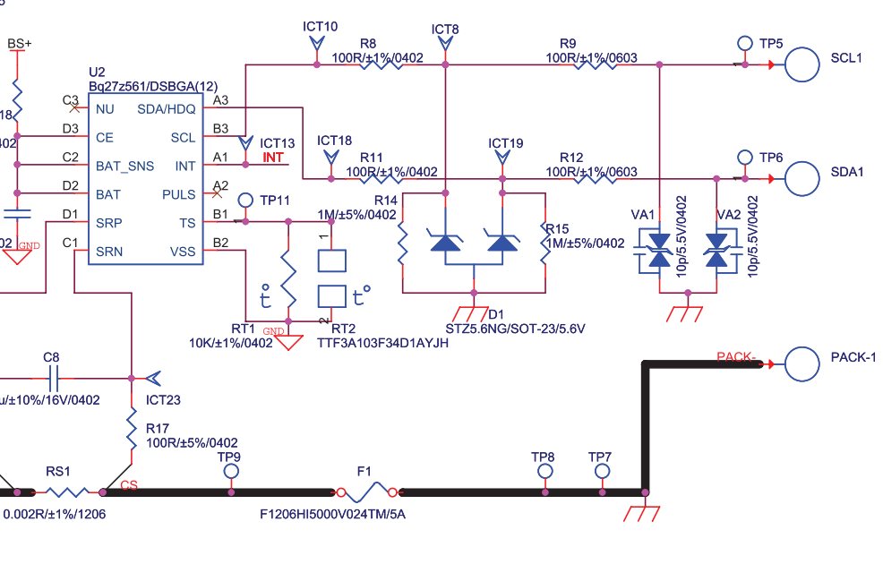
下面是原理图。  

谢谢

  • 请注意,本文内容源自机器翻译,可能存在语法或其它翻译错误,仅供参考。如需获取准确内容,请参阅链接中的英语原文或自行翻译。
    EV2300可能需要固件更新。
  • 请注意,本文内容源自机器翻译,可能存在语法或其它翻译错误,仅供参考。如需获取准确内容,请参阅链接中的英语原文或自行翻译。
    您好 Nabil、
    固件版本是3.1c,我认为是最新版本。

    谢谢
  • 请注意,本文内容源自机器翻译,可能存在语法或其它翻译错误,仅供参考。如需获取准确内容,请参阅链接中的英语原文或自行翻译。

    Jeff、

    3.1c 不是最新版本。 您需要将 EV2300上的固件更新为 v3.1r 或3.1m。 您需要第二个 EV2300来执行此操作。

    可以在下面的链接中找到它们。

    另外,请注意,EV2300在 i2c 端口上没有内部上拉电阻,因此 EVM 板必须具有上拉电阻才能使 EV2300正常工作

    e2e.ti.com/.../8816.EV23000_5F00_876FW-Updater.zip

    谢谢

    Onyx