早上好、
我们是否可以知道何时 更新正确的封装图?
感谢你的帮助。
This thread has been locked.
If you have a related question, please click the "Ask a related question" button in the top right corner. The newly created question will be automatically linked to this question.
早上好、
我们是否可以知道何时 更新正确的封装图?
感谢你的帮助。
Juliette、您好!
是的、plz 请参阅以下网站: LM1086:LM1086CSX-ADJ/NOPB 是否有任何规格变化? -电源管理论坛-电源管理- TI E2E 支持论坛。
我被告知将 更新正确的封装图、但我仍然看不到任何更新。 请帮助检查。
谢谢、
BRI
尊敬的 Juliette:
我们是否可以对新封装图何时发布有任何更新?
此外、对于此封装图、您能否与我们分享链接?
[引用 userid="314744" URL"~/support/power-management-group/power-management/f/power-management-forum/1186938/lm1086-package-drawing-update/4475281 #4475281"]我们将能够在此期间链接到的封装图。非常感谢、最棒的是、
BRI
大家好、Mohan、
Juliette 是 ooo。
让我看看我可以在最后做什么 我的理解是、与 DS 上显示的器件相比、接收到的器件的长度更短、对吧?
我能否理解这将如何影响器件的使用?
此外、是否测量了多个器件? 是否测量了任何其他尺寸? 最后、测量的器件是否谨慎处理以避免引线收缩?
所提供的所有可能信息将有助于进行任何适当的更改、并不断推动我们的发展。
最棒的
Edgar Acosta
您好、Bridget、
很抱歉、周一是美国的假日。
我目前正在与团队合作、以获得有关这方面的状态、因为我稍后会被环回。
这是与我们的封装团队相对应的更新、因为我们无法直接修改封装图。 LDO 团队一直在努力更新工程图、但是更新数据表需要一些时间+涉及的小组之间的通信、因为这是一个封装图、不仅由我们的团队使用、而且由 TI 广泛使用。 这将影响使用此封装的任何其他器件。
此外、在哪里测量了其他尺寸? 这还有助于查看是否需要更新其他任何内容。
最棒的
Edgar Acosta
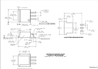
您好、Bridget、
看起来我们的系统中已经进行了更改。 刷新需要24小时。 我们将于明天再次检查 DS 是否有新的工程图。 同时、您可以参考此图:

最棒的
Edgar Acosta