This thread has been locked.

If you have a related question, please click the "Ask a related question" button in the top right corner. The newly created question will be automatically linked to this question.

[参考译文] TPS65131:输出异常问题

Guru**** 2511745 points
Other Parts Discussed in Thread: TPS65131

请注意,本文内容源自机器翻译,可能存在语法或其它翻译错误,仅供参考。如需获取准确内容,请参阅链接中的英语原文或自行翻译。

https://e2e.ti.com/support/power-management-group/power-management/f/power-management-forum/1229435/tps65131-abnormal-output-issue

器件型号:TPS65131

尊敬的团队:  

我的客户在 TPS65131上遇到异常输出问题。 预期输出为15V、但结果仅为5V。  

-输入电压:5V。  

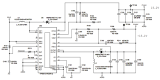
-下面是客户原理图。  

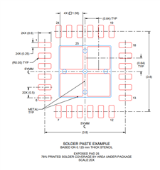
下面是焊接 X 射线图像。 如下所示、电源板上有许多空隙。  

-这是导致输出异常的原因吗?  

-如果是, 至少应该有多少焊接?  

在数据表中、有如下注释。

- 78%印刷焊料覆盖范围、按封装下方的区域列出

- 我是否应该建议在电源板上至少焊接78%的焊料,而不会有空隙?  

请告诉我您的意见。  

谢谢你。  

  • 请注意,本文内容源自机器翻译,可能存在语法或其它翻译错误,仅供参考。如需获取准确内容,请参阅链接中的英语原文或自行翻译。

    您好!

    我注意到原理图中有两个 GND、即 AG 和 AGND、我是否可以知道客户是如何将这两个 GND 连接在一起的?

    Br

    帕特里克

  • 请注意,本文内容源自机器翻译,可能存在语法或其它翻译错误,仅供参考。如需获取准确内容,请参阅链接中的英语原文或自行翻译。

    Patrick、您好!  

    感谢您的评论。  

    AGND 和 AG 与下面所示的 GND 相同。  

    请再次回顾并告诉我您对原理图审阅、焊接和最小焊缝的看法。  

    谢谢你。

  • 请注意,本文内容源自机器翻译,可能存在语法或其它翻译错误,仅供参考。如需获取准确内容,请参阅链接中的英语原文或自行翻译。

    您好、Nam:

    您能请客户捕获 CP 电压的波形吗?

    我想知道这个问题是否可以100%重现? 当失去+15V 电压时、-15V 电压轨的电压是多少?

    Br

    帕特里克

  • 请注意,本文内容源自机器翻译,可能存在语法或其它翻译错误,仅供参考。如需获取准确内容,请参阅链接中的英语原文或自行翻译。

    Patrick、您好!  

    如果我获得 CP 电压波形捕获、我将很快分享它。  

    此问题并非100%重现。 故障率为6/500。 重新使用新器件后、除1个器件外、它正常工作。 这就是为什么我们怀疑较差的 void 焊接.  

    故障状态、预期输出+-15V

    1.5V 输入、丢失+-15V、仅输出+-5V

    2.5V 输入、丢失+15V、输出+5V、-15V

    3.在重新使用新设备后,输入电压为5V ,丢失+15V,输出电压为7.7V,-15V.  

    请再次回顾并告诉我您对原理图审阅、焊接和最小焊缝的看法。

    谢谢你。  

  • 请注意,本文内容源自机器翻译,可能存在语法或其它翻译错误,仅供参考。如需获取准确内容,请参阅链接中的英语原文或自行翻译。

    您好、Nam:

    我认为还建议使用78%的覆盖范围。 但我不确定这是否是根本原因、因此、您能请客户检查是否使用建议的覆盖范围焊接了旧 IC、它是否能正常工作? 另外、您能否对另5个器件的"除1器件"焊接覆盖范围进行检查、以查看覆盖范围是否明显存在差异?

    Br

    帕特里克