This thread has been locked.

If you have a related question, please click the "Ask a related question" button in the top right corner. The newly created question will be automatically linked to this question.

[参考译文] LM5642:LM5642

Guru**** 2502205 points
Other Parts Discussed in Thread: LM5642

请注意,本文内容源自机器翻译,可能存在语法或其它翻译错误,仅供参考。如需获取准确内容,请参阅链接中的英语原文或自行翻译。

https://e2e.ti.com/support/power-management-group/power-management/f/power-management-forum/1235569/lm5642-lm5642

器件型号:LM5642

我想通过开关仅通过电源电压 VIN 打开和关闭 LM5642电路。 不应中断到晶体管的电源路径。 因此、开启/SSx 的信号为"高电平"。 这是可行的吗?

非常感谢。

  • 请注意,本文内容源自机器翻译,可能存在语法或其它翻译错误,仅供参考。如需获取准确内容,请参阅链接中的英语原文或自行翻译。

    您好!

    我认为 ON/OFF 引脚为内部拉高电平、因此只需通过开启/关闭 VIN、即可将器件置于 UVLO 模式和退出 UVLO 模式、这将自动重启器件并进行标准软启动。 您的意思是、不应中断晶体管的电源路径? HS 功率 FET 是否连接到独立于 VIN 的恒定 VDD 源? 如果是、在 UVLO 期间、HDRVx 和 LDRVx 都将关闭、因此 FET 不会开关。

    此致、

    亨利

  • 请注意,本文内容源自机器翻译,可能存在语法或其它翻译错误,仅供参考。如需获取准确内容,请参阅链接中的英语原文或自行翻译。

    您好、Henry、感谢您的答案。
    回答您的问题:我想通过一个小开关打开/关闭转换器、而不中断电源路径。 因此、我将输入电压分成了两条线路。 一条路径通过电流检测电阻到达高侧晶体管、另一条路径通过开关到达电路的 VIN。
    如果我现在中断到 VIN 的路径、那么在 PWM 约为99%时、较低的晶体管会切换、而使用1%的高侧晶体管。
    但 LM5642并未真正关断、因此仍会产生较小的输出电压。

    此致。

  • 请注意,本文内容源自机器翻译,可能存在语法或其它翻译错误,仅供参考。如需获取准确内容,请参阅链接中的英语原文或自行翻译。

    您好!

    如果您有系统原理图并标出 PWM 在什么占空比下的线路、这最适合我理解。

    此致、

    亨利

  • 请注意,本文内容源自机器翻译,可能存在语法或其它翻译错误,仅供参考。如需获取准确内容,请参阅链接中的英语原文或自行翻译。

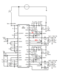
    您好 Henry、这里是数据表概述中的链接。 PWM 值被插入相应的红色输出端。  

    我希望现在这个话题可以更清楚一些。

    谢谢。

  • 请注意,本文内容源自机器翻译,可能存在语法或其它翻译错误,仅供参考。如需获取准确内容,请参阅链接中的英语原文或自行翻译。

    您好!

    感谢您的耐心。 如器件数据表中所示、建议将 VIN 连接到 IC 和 FET。 与切换 EN/SS 引脚相比、将断开连接置于 IC VIN 线路上的原因是什么?

    此致、

    亨利