This thread has been locked.

If you have a related question, please click the "Ask a related question" button in the top right corner. The newly created question will be automatically linked to this question.

[参考译文] BQ76952:BQ76952平衡期间、第14节电芯电压上升15mV。

Guru**** 2455560 points
Other Parts Discussed in Thread: BQ76952

请注意,本文内容源自机器翻译,可能存在语法或其它翻译错误,仅供参考。如需获取准确内容,请参阅链接中的英语原文或自行翻译。

https://e2e.ti.com/support/power-management-group/power-management/f/power-management-forum/1237071/bq76952-bq76952-the-14th-cell-voltage-rise-15mv-during-balance

器件型号:BQ76952

您好

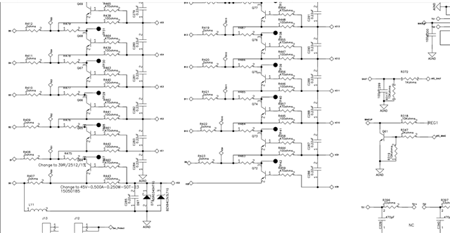
开发出符合 BQ76952的客户设计。 当第15个串联电芯平衡时、第14个节点的采样电压将增加约15mV。

16系列应用中没有电压上升、仅发生在15 系列应用中

原理图如下所示。

请帮助检查它。

正在等待您的回复。

谢谢

星形

  • 请注意,本文内容源自机器翻译,可能存在语法或其它翻译错误,仅供参考。如需获取准确内容,请参阅链接中的英语原文或自行翻译。

    您好、Star:

    在 VC14上进行测量时、器件可能没有稳定的 RC 响应。 能否保持 C292电容器? 这可能对稳定时间有所帮助。

    请记住、该器件不会同时进行平衡和测量、因此 RC 常数必须 足够快地稳定才能进行测量。 他们可以尝试在示波器中监控此行为、并可能在进行测量时查看电压稳定情况。

    此致、
    何塞·库索

  • 请注意,本文内容源自机器翻译,可能存在语法或其它翻译错误,仅供参考。如需获取准确内容,请参阅链接中的英语原文或自行翻译。

    您好,Jose

    感谢您的答复。

    起初、保持了 C292、但仍然存在 VC14电压升高的问题。

    移除 C292的原因是:当第15个系列达到平衡时、VC15的电压由于分压而变得更高、此时 C292可能会充电、这 可能会影响 VC14的电压采样。

    正在等待您的回复。

    谢谢

    星形

  • 请注意,本文内容源自机器翻译,可能存在语法或其它翻译错误,仅供参考。如需获取准确内容,请参阅链接中的英语原文或自行翻译。

    您好、Star:

    它们能否去除 R450? 在15S 配置中不需要此功能。   

    他们是否已尝试将 VC15-VC14引脚短路? 请参见下面圈出的蓝色区域。


    此致、
    何塞·库索