尊敬的所有人:
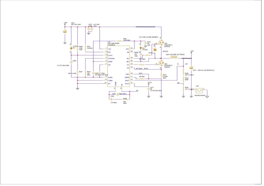
我有一个采用 LM5116的设计 、如随附图像所示。
控制器 LM5116会在上电期间损坏。 芯片本身有时会在内部损坏、在其他情况下、只有外部 MOSFET 或分流器会损坏。 某些电路板在随意加电之后会发生这种情况、 有时 在电路板工作数天之后也会发生这种情况。
在我们的设计中、为了从外部驱动 MOSFET、我们添加了一个外部电压稳压器。 它 在电源达到+14V 后运行。
我们检查了电压、它们看起来是正确的、我们没有注意到任何特定的过冲。 在我们向上部 MOSFET 添加15V 齐纳二极管后、我们的故障较少、但 仍然没有解决问题。
有没有建议如何提高上电过程中芯片的稳健性?
此致。


