This thread has been locked.

If you have a related question, please click the "Ask a related question" button in the top right corner. The newly created question will be automatically linked to this question.

[参考译文] BQ25723:BQ25723 REGN 电压不正确

Guru**** 2500905 points
Other Parts Discussed in Thread: BQ25723

请注意,本文内容源自机器翻译,可能存在语法或其它翻译错误,仅供参考。如需获取准确内容,请参阅链接中的英语原文或自行翻译。

https://e2e.ti.com/support/power-management-group/power-management/f/power-management-forum/1316424/bq25723-bq25723-regn-voltage-incorrect

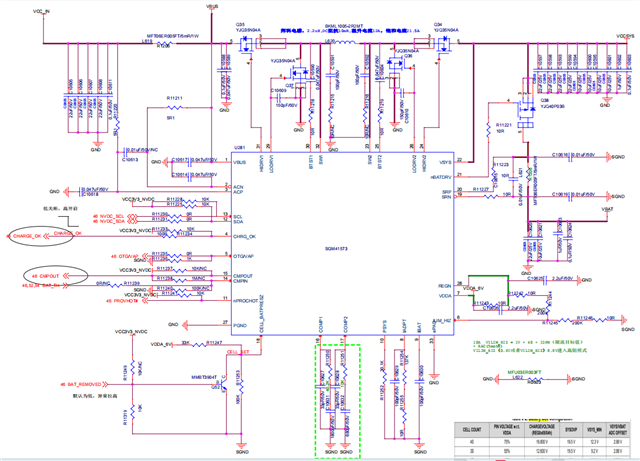
器件型号:BQ25723

您好

并使用 BQ25723 为4节串联电池充电。 如果电池未插电、当连接到直流电源(24V)时、REGN 输出电压为6V。

仅连接电池时(电池电压15V)、REGN 输出电压约为9V。 同时 适配器 和电池、REGN 电压也约为9V。

为什么 REGN 电压为9V? 这是否合理? 根据手册、REGN 电压应约为6V。

附上了原理图供您参考。

请帮助检查它。

谢谢

星形

  • 请注意,本文内容源自机器翻译,可能存在语法或其它翻译错误,仅供参考。如需获取准确内容,请参阅链接中的英语原文或自行翻译。

    尊敬的明星:

    REGN 上不应有9V 电压。 我注意到 COMP1和 COMP2补偿网络不符合数据表部分规定的指南  9.3.13。此外、ILIM_HIZ 应由 VAA 而非 REGN 的分压器网络供电。 如果在更改补偿网络后 REGN 仍未显示6V、可能需要更改 IC。

    此致、

    穆尼尔