This thread has been locked.

If you have a related question, please click the "Ask a related question" button in the top right corner. The newly created question will be automatically linked to this question.

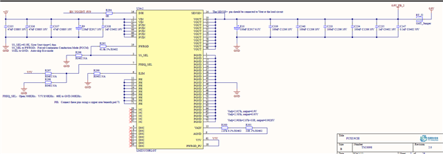
[参考译文] LMZ31520:LMZ31520原理图

Guru**** 2380860 points
Other Parts Discussed in Thread: LMZ31520
请注意,本文内容源自机器翻译,可能存在语法或其它翻译错误,仅供参考。如需获取准确内容,请参阅链接中的英语原文或自行翻译。

https://e2e.ti.com/support/power-management-group/power-management/f/power-management-forum/1312818/lmz31520-lmz31520-schematic-diagram

器件型号:LMZ31520

您好!

LMZ31520的设计原理图如下所示。 您能帮助检查一下是否有任何问题吗? 还是好建议?

谢谢!

  • 请注意,本文内容源自机器翻译,可能存在语法或其它翻译错误,仅供参考。如需获取准确内容,请参阅链接中的英语原文或自行翻译。

    尊敬的 Jeno:

    我们的美国团队明天会回复你。

  • 请注意,本文内容源自机器翻译,可能存在语法或其它翻译错误,仅供参考。如需获取准确内容,请参阅链接中的英语原文或自行翻译。

    尊敬的 Jeno:

    我建议多添加一个100uF 的电容器来达到建议的陶瓷输出电容。 如果您所需的负载超过默认电流限制、请在设置 ILIM 电阻值时小心。 其他一切看起来都很好。

    此致、

    布里顿