This thread has been locked.

If you have a related question, please click the "Ask a related question" button in the top right corner. The newly created question will be automatically linked to this question.

[参考译文] TUSB1044:原理图审阅

Guru**** 2383520 points
Other Parts Discussed in Thread: TUSB1044
请注意,本文内容源自机器翻译,可能存在语法或其它翻译错误,仅供参考。如需获取准确内容,请参阅链接中的英语原文或自行翻译。

https://e2e.ti.com/support/power-management-group/power-management/f/power-management-forum/1308403/tusb1044-schematic-review

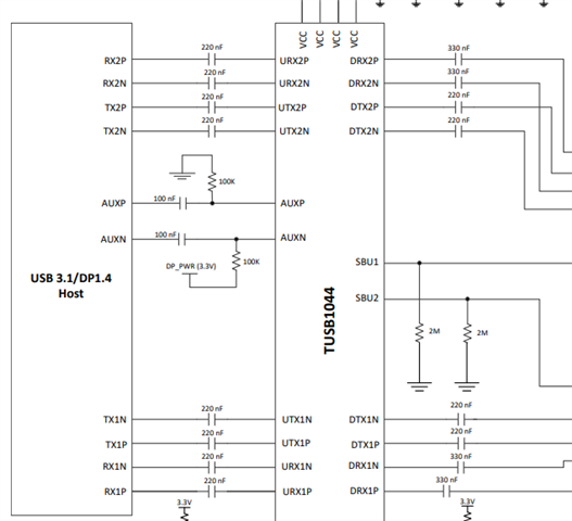
器件型号:TUSB1044
主题中讨论的其他器件: TPS65994

尊敬的 TI 团队

您能帮助查看随附的原理图吗?

源来自 Intel TCP 端口、我们希望使用 TUSB1044来实现 DP+USB 功能、请推荐。

谢谢你。

骑士。

e2e.ti.com/.../8546.TUSB1044.pdf

  • 请注意,本文内容源自机器翻译,可能存在语法或其它翻译错误,仅供参考。如需获取准确内容,请参阅链接中的英语原文或自行翻译。

    尊敬的 Knight:

    我建议将 C518、C517、C533和 C535更改为220nF。

    这遵循1044数据表中的典型应用。

    我还建议将 DIR0/1上的下拉电阻器更改并将引脚切换为1K 以获得低输入值。

    从 ESD 保护方面看、我们可以看到几个不同的钳位电压值。

    您应确保二极管的钳位电压约为3V。 我通常推荐的合适二极管是 PUSB3FR4。

    希望这对您有所帮助、如果我漏掉了任何内容、请告诉我。

    此致!

    谢恩

  • 请注意,本文内容源自机器翻译,可能存在语法或其它翻译错误,仅供参考。如需获取准确内容,请参阅链接中的英语原文或自行翻译。

    尊敬的 Shane

    感谢您的支持、然后按如下方式修改原理图以供审阅。

    我想知道如何通过 TPS65994 GUI 设置 GPIO?

    谢谢你。

    骑士。

    e2e.ti.com/.../TUSB1044_5F00_modify_5F00_20240103.pdf

  • 请注意,本文内容源自机器翻译,可能存在语法或其它翻译错误,仅供参考。如需获取准确内容,请参阅链接中的英语原文或自行翻译。

    尊敬的 Knight:

    原理图看起来正常。 请让我将该主题提交给 PD 团队、以了解您有关 TPS65994的问题。

    此致!

    谢恩

  • 请注意,本文内容源自机器翻译,可能存在语法或其它翻译错误,仅供参考。如需获取准确内容,请参阅链接中的英语原文或自行翻译。

    尊敬的 Knight:

    在 TPS65994 GUI 中导航到 IO Config (寄存器0x5c)、这将使您能够将每个单独的 GPIO 设置为特定事件、对某些 GPIO 进行多路复用以及其他行为、例如开漏、内部上拉/下拉和 GPIO 极性。  

    例如、有关如何设置 GPIO 事件、请参阅第13页上的本文档: https://www.ti.com/lit/an/slva844b/slva844b.pdf?ts = 1704323518861&ref_url=https%253A%252F% 252Fwww.ti.com%252Fproduct%252FTPS65994AD 

    谢谢。此致、
    雷蒙德·林