This thread has been locked.

If you have a related question, please click the "Ask a related question" button in the top right corner. The newly created question will be automatically linked to this question.

[参考译文] UCD9081:编程后、点击"SHUTDOWN"、MON5和 MON6始终具有一个电平、大约为1.9V、为什么

Guru**** 2551370 points
Other Parts Discussed in Thread: UCD9081

请注意,本文内容源自机器翻译,可能存在语法或其它翻译错误,仅供参考。如需获取准确内容,请参阅链接中的英语原文或自行翻译。

https://e2e.ti.com/support/power-management-group/power-management/f/power-management-forum/1304454/ucd9081-after-programming-click-shutdown-mon5-and-mon6-always-have-a-level-about-1-9v-why

器件型号:UCD9081

 给电路板加电并配置好芯片后、点击 SHUTDOWN、MON5和 MON6有大约1.9V 的连续电平。 当我断开连接的电源后、这个电平也存在、所以应该是来自 PFM 芯片的电平输出。

  • 请注意,本文内容源自机器翻译,可能存在语法或其它翻译错误,仅供参考。如需获取准确内容,请参阅链接中的英语原文或自行翻译。

  • 请注意,本文内容源自机器翻译,可能存在语法或其它翻译错误,仅供参考。如需获取准确内容,请参阅链接中的英语原文或自行翻译。

  • 请注意,本文内容源自机器翻译,可能存在语法或其它翻译错误,仅供参考。如需获取准确内容,请参阅链接中的英语原文或自行翻译。

    这些是所有配置。

  • 请注意,本文内容源自机器翻译,可能存在语法或其它翻译错误,仅供参考。如需获取准确内容,请参阅链接中的英语原文或自行翻译。

    这是当我点击"SHUTDOWN"时会发生的情况:

  • 请注意,本文内容源自机器翻译,可能存在语法或其它翻译错误,仅供参考。如需获取准确内容,请参阅链接中的英语原文或自行翻译。
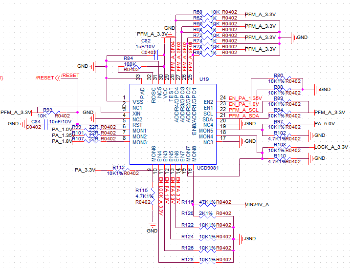
    • 我的原理图如下所示:

  • 请注意,本文内容源自机器翻译,可能存在语法或其它翻译错误,仅供参考。如需获取准确内容,请参阅链接中的英语原文或自行翻译。
    • 这是点击"SHUTDOWN"后 MON6输入的电平状态:

    • MON6输入电压加电波形:

    • MON6输入电压关闭波形:

  • 请注意,本文内容源自机器翻译,可能存在语法或其它翻译错误,仅供参考。如需获取准确内容,请参阅链接中的英语原文或自行翻译。

    当我关闭电路板并重新启动它时、在单击 EVM 以查找器件后、器件的 MON5和 MON6配置被自身更改:

  • 请注意,本文内容源自机器翻译,可能存在语法或其它翻译错误,仅供参考。如需获取准确内容,请参阅链接中的英语原文或自行翻译。

    我已经断开了到 MON 的所有电压并且没有输入 PFM、这个电平一直存在、请帮助分析原因、请回答、非常感谢

  • 请注意,本文内容源自机器翻译,可能存在语法或其它翻译错误,仅供参考。如需获取准确内容,请参阅链接中的英语原文或自行翻译。

    您好

    有几件事需要检查:

    1. MON5/6的 ENABLE 信号的状态如何? 它们应取消置位、以便下游 POL 关闭、

    2.您必须检查是否有漏电路径来驱动该导轨。

    此致

    颐和

  • 请注意,本文内容源自机器翻译,可能存在语法或其它翻译错误,仅供参考。如需获取准确内容,请参阅链接中的英语原文或自行翻译。

    感谢您的答复

    当我点击关断时、所有 EN 都关断、电平0V、MON5和 MON6外部接入电路断开,所以我认为那个电平是在芯片 UCD9081内部生成的。

  • 请注意,本文内容源自机器翻译,可能存在语法或其它翻译错误,仅供参考。如需获取准确内容,请参阅链接中的英语原文或自行翻译。

    您好

    这两个引脚上的 UCD 不可能存在这种泄漏。

    关闭后是否检查 PA_5V 和 PA_3V3?

    此致

    颐和