This thread has been locked.

If you have a related question, please click the "Ask a related question" button in the top right corner. The newly created question will be automatically linked to this question.

[参考译文] TLV61046A:TLV61046A:输入电压低于4.8V……时工作不正常。

Guru**** 2532730 points
Other Parts Discussed in Thread: TLV61046A

请注意,本文内容源自机器翻译,可能存在语法或其它翻译错误,仅供参考。如需获取准确内容,请参阅链接中的英语原文或自行翻译。

https://e2e.ti.com/support/power-management-group/power-management/f/power-management-forum/1297442/tlv61046a-tlv61046a-not-working-correctly-for-input-voltages-smaller-than-4-8v

器件型号:TLV61046A
主题中讨论的其他器件: TLV61046

您好!  

我的处境与(TLV61046A:输入电压低于4V 时 TLV61046A 工作不正常-电源管理论坛-电源管理- TI E2E 支持论坛)。  

我想使用 TLV61046A 将3.3V 升压到12V。 根据数据表、我只需将输入电压连接到 FB 即可到达12V。 这里是 WebBench 电路的链接。  webench.ti.com/.../SDP.cgi -论坛有什么可能的原因可以自动缩短这个链接,使其无法点击?

由于该论坛是无法理解的、并将哪些内容视为在互联网论坛上共享 TI WebBench 电路的可能最有用的功能之一、因此我被迫截取以下屏幕截图:

 

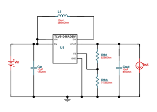
图1:在实际原理图中、 我将 Vin 连接到 FB、而没有连接任何电阻器。 根据数据表、这应该提供12V 的输出电压、

图2:我没有完全使用这些组件、如下所示。 不过、我认为 WebBench 建议的 BOM 可能仍会有所帮助。  

我找不到具有指定电阻的10uH 电感器、因此我尝试了几个不同的电感器。 这两种方法都不起作用:

B82144A2103J000 EPCOS - TDK Electronics |电感器、线圈、扼 流圈| DigiKey -(如果您看到此电感器或此帖子中的任何其他东西没有错误、那么我将只订购3个以上的电感器、然后重试)

NRH3010T100MN 太阳诱电感器、线圈、扼流圈| Digikey

(请告诉我是否应该在 DigiKey 上尝试使用任何不同的电感器。 但它们必须是通孔或足够大、我可以焊接到它们上面(类似于上面的两个示例)。

遗憾的是、仅当使用>= 4.5V 输入(未连接负载)时才会达到12V 的输出电压。 施加简单的2千欧负载电阻时、输入电压为4.8V 时只能达到12V。  

迟滞效应、与上一篇文章中所述的类似、也会存在。


同样、根据数据表、该电路确实非常简单。 没有像 WebBench 设计器中显示的那样的电阻器、因为数据表显示您在升压到12伏时不需要电阻器。 您可以通过将 Vin 连接到 FB 以得到12V 来做出捷径。

这些电容器是 Amazon 套件中的电解通孔-它们的内部电阻与 WebBench 不匹配、但远高于 WebBench 上建议的额定电压。

谢谢!

  • 请注意,本文内容源自机器翻译,可能存在语法或其它翻译错误,仅供参考。如需获取准确内容,请参阅链接中的英语原文或自行翻译。

    尊敬的 Kevin:

    专家今天不在办公室。

    请等待一天。

    此致、

    费格斯

  • 请注意,本文内容源自机器翻译,可能存在语法或其它翻译错误,仅供参考。如需获取准确内容,请参阅链接中的英语原文或自行翻译。

    我从两个不同的供应商购买了一些 SOT23转 DIP 钳位适配器。 事实上、 制造商 在他们的 PCB 上有镜像的引脚分配、这意味着我意外地将 TLV 反向接线(因为这是第一个制造商的适配器的正确引脚分配、而不是第二个制造商的适配器)。

    我会订购更多器件。 如果几周内没有收到我的回复、请随时将此问题标记为已解决。

  • 请注意,本文内容源自机器翻译,可能存在语法或其它翻译错误,仅供参考。如需获取准确内容,请参阅链接中的英语原文或自行翻译。

    尊敬的 Kevin:

    我很高兴您发现了这个问题。 我想提醒的是、两个电感器的饱和电流太小(0.6A)。 TLV61046的峰值电流限制为1.25A。 建议更换具有较大饱和电流的电感器(最好>2A)。  如果问题仍然存在、请随时与我们联系。

    此致、

    穆林

  • 请注意,本文内容源自机器翻译,可能存在语法或其它翻译错误,仅供参考。如需获取准确内容,请参阅链接中的英语原文或自行翻译。

    谢谢,我尝试了这个电感器: TMPC 0515HP-100mg-D 泰德先进电子有限公司|电感器、线圈、扼流圈| Digikey


    饱和电流为2.3A…… 但是、该电路仍然不会在输入电压为3.5V 时产生12V 电压、而在输入电压为4.5V 且无负载的情况下会产生大约11V 电压。 一旦连接负载或输入电压下降、电路就会产生5-8V 电压。  

  • 请注意,本文内容源自机器翻译,可能存在语法或其它翻译错误,仅供参考。如需获取准确内容,请参阅链接中的英语原文或自行翻译。

    尊敬的 Kevin:

    您可以通过以下步骤插入链接并避免在该论坛中出现"无法理解的删失"问题。  

    • 选择单词或句子-->单击"插入"-->单击"链接"-->复制链接到"URL"。 以下是指向此 E2E 主题的链接示例: 单击此处

    返回到您的问题。 首先快速查看:您使用的输入电源是什么? 输入电源的最大输出电流是多少?

    此致

  • 请注意,本文内容源自机器翻译,可能存在语法或其它翻译错误,仅供参考。如需获取准确内容,请参阅链接中的英语原文或自行翻译。

    我正在使用 HardKernel 的 SmartPower III。它可输出高达3A 的可调直流(3.0至14V)电压  

     www.hardkernel.com/.../

  • 请注意,本文内容源自机器翻译,可能存在语法或其它翻译错误,仅供参考。如需获取准确内容,请参阅链接中的英语原文或自行翻译。

    尊敬的 Kevin:

    感谢您的信息。 输入电源和输出电流容量都受到很好的注意。

    我认为输出电流限制可以设置为低于3A 的值。 您可以帮助检查 输出电流限制的设置值是多少 会发生什么情况? 是3A 还是更小的值?

    此致

  • 请注意,本文内容源自机器翻译,可能存在语法或其它翻译错误,仅供参考。如需获取准确内容,请参阅链接中的英语原文或自行翻译。

    尊敬的 Lei:

    输出电流限制设为3.0A。 我将限值降低到0.5A、但得到的结果是相同的。 它需要5.0V 的电压才能获得正确的输出

    运行器件时、显示直流电源流出电流为0.00。 它显示了输入为5V (成功升压至12V)和输入为3.7V (输出为3.33V)时的0.00A。 始终为0.00A。 即使我将负载连接到 Vout、直流电源仍会产生0.00A 的电流。  


    这是我实验电路板的照片、我希望它能有所帮助。

    通向 SOT 结型适配器的长导线没有什么区别。 即使 SOT 结型适配器直接接入试验电路板、结果也是一样的。  

    今天、我尝试了更多的电感器:

    B82144F2222K000 EPCOS - TDK Electronics |电感器、线圈、扼流圈| Digikey

    B78108E1103K000 EPCOS - TDK Electronics |电感器、线圈、扼流圈| Digikey

    B82144B2223K000 EPCOS - TDK Electronics |电感器、线圈、扼流圈| Digikey

    2.2电感器可提供最佳结果。

  • 请注意,本文内容源自机器翻译,可能存在语法或其它翻译错误,仅供参考。如需获取准确内容,请参阅链接中的英语原文或自行翻译。

    我还添加了 建议的电阻器,结果基本上是相同的...  

  • 请注意,本文内容源自机器翻译,可能存在语法或其它翻译错误,仅供参考。如需获取准确内容,请参阅链接中的英语原文或自行翻译。

    尊敬的 Kevin:

    当我运行设备时,显示有电流从直流电源流出0.00。 它显示了输入为5V (成功升压至12V)和输入为3.7V (输出为3.33V)时的0.00A。 始终为0.00A [/报价]

    这应该是个问题! 起初、我怀疑电流被限制在低电平、因此当有负载电流时、Vout 无法保持在12V。 根据您的最新测量结果、我们可以看到电源确实有问题输出电流。

    如您所示、试验电路板+飞线的方式不是一个可靠的电路。 这可能会导致某种混淆的虚拟连接。

    我认为以下是 TLV61046A 的插座。 您能否将 Vin 和 GND 的两条线直接焊接到电源上、然后重试?

    此致

  • 请注意,本文内容源自机器翻译,可能存在语法或其它翻译错误,仅供参考。如需获取准确内容,请参阅链接中的英语原文或自行翻译。

    谢谢! (我认为)。  我将电路移至 DIP 原型板(焊接)。 电路性能似乎更好。 即使有负载、输入电压为4.2V 时、也能达到12V! 但仍然无法从3.7V 升压。 直流电源显示出更高的输出电流值(例如0.06A)。 当电流输出增加时、很清楚电路处于"打开"状态。

    从改善程度来看、我认为或许应该在没有接线测试仪的情况下尝试一下。 我已订购 SOT23到 DIP 分线板以进一步尝试和解决问题。  

    我将在测试它们时进行更新!

  • 请注意,本文内容源自机器翻译,可能存在语法或其它翻译错误,仅供参考。如需获取准确内容,请参阅链接中的英语原文或自行翻译。

    尊敬的 Kevin:

    感谢您的更新。

    期待您的好消息!

    此致