请注意,本文内容源自机器翻译,可能存在语法或其它翻译错误,仅供参考。如需获取准确内容,请参阅链接中的英语原文或自行翻译。
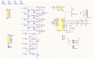
器件型号:BQ76920 大家好、这是我的第一个 BMS 设计项目、我在电压读数方面遇到了一些问题。 我能够获得电 芯1至电芯3和电池组电压的读数。 但单元4缺少读数。 该 BMS 专为4节 LFP 电池组而设计。
我不在该项目中使用电流检测功能、因此 IC 主要用于电压检测和被动均衡。
尽管我的原理图中具有用于电池平衡的外部 FET、但未使用、因此已移除0r 跳线。
非常感谢任何帮助!

