This thread has been locked.

If you have a related question, please click the "Ask a related question" button in the top right corner. The newly created question will be automatically linked to this question.

[参考译文] BQ24617:STAT1保持低电平、即使充电电流约为0A。

Guru**** 2390755 points
Other Parts Discussed in Thread: BQ24617

请注意,本文内容源自机器翻译,可能存在语法或其它翻译错误,仅供参考。如需获取准确内容,请参阅链接中的英语原文或自行翻译。

https://e2e.ti.com/support/power-management-group/power-management/f/power-management-forum/1280572/bq24617-stat1-remains-low-even-though-charging-current-became-about-zero-ampere

器件型号:BQ24617

大家好、我正在研究  使用 bq24617对3节锂离子电池的充电行为。

I 确认充电行为从 CC 模式更改为 CV 模式、STAT1保持低电平。

我发现  在 充电电流约为0 mA 后、STAT1保持低电平约1小时。

请告诉我为什么 STAT1保持低电平。 是不是啊?

此致、

森山博之

  • 请注意,本文内容源自机器翻译,可能存在语法或其它翻译错误,仅供参考。如需获取准确内容,请参阅链接中的英语原文或自行翻译。

    尊敬的 Hiroyuki:  

    感谢您与我们联系!

    1-您是否在 BQ24617 EVM 上看到过此行为?  

    STAT2在这种充电行为期间的行为是什么?

    最好的地区

    A·克德尔  

  • 请注意,本文内容源自机器翻译,可能存在语法或其它翻译错误,仅供参考。如需获取准确内容,请参阅链接中的英语原文或自行翻译。

    您好、Aya:

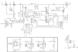
    1 -不、我在我们的 PWB 上看到了。 请参阅所附的电路图。

    2 -对不起。 很遗憾、我这次没有探测 STAT2的配置文件。

       之前我在 STAT1/STAT2的同时检查、并确认没有出现问题。(另请参阅已连接的图像)

    充电器 电芯 充电电流
    这次 bq24617 3s3p 1.1a
    上一个 同上 同上 3A

    此致、

  • 请注意,本文内容源自机器翻译,可能存在语法或其它翻译错误,仅供参考。如需获取准确内容,请参阅链接中的英语原文或自行翻译。

    尊敬的 Hiroyuki:  

    感谢您提供更多信息。

    很遗憾、原理图不是很清晰、可以随附 pdf 吗?  

    2 -您是否尝试过在 EVM 上进行复制并记下行为?

    此致、  

    A·克德尔  

  • 请注意,本文内容源自机器翻译,可能存在语法或其它翻译错误,仅供参考。如需获取准确内容,请参阅链接中的英语原文或自行翻译。

    您好、Aya:  

    很抱歉为您提供方便。

    1、 附件为 PDF 版本。 请参阅这个。

    2.不、我没有 bq24617 EVM。

    此致、

    森山博之

    e2e.ti.com/.../bq24617_5F00_circuit.pdf

  • 请注意,本文内容源自机器翻译,可能存在语法或其它翻译错误,仅供参考。如需获取准确内容,请参阅链接中的英语原文或自行翻译。

    尊敬的 Hiroyuki:  

    没问题、感谢您提供原理图。 我会查看是否有任何疑虑、并告知您。  

    此致、  

    A·克德尔  

  • 请注意,本文内容源自机器翻译,可能存在语法或其它翻译错误,仅供参考。如需获取准确内容,请参阅链接中的英语原文或自行翻译。

    尊敬的 Hiroyuki:  

    我查看了您的原理图、但没有看到任何相关内容。  

    从原理图中可以看到、ISET1引脚设置为1.15A 最大充电电流、而 ACSET 引脚 也设置为1.15A 适配器电流。  

    在您之前的设置中、我假设 ISET1已设置为3A 最大充电电流。 您的 ACSET 设置是什么?

    此致、  

    A·克德尔  

  • 请注意,本文内容源自机器翻译,可能存在语法或其它翻译错误,仅供参考。如需获取准确内容,请参阅链接中的英语原文或自行翻译。

    您好、Aya。

    在我之前的设置中、ACSET 也设置为3A。

    我想知道充电状态是否正在进行中、但充电电流几乎为零。

    此致、

    森山博之

  • 请注意,本文内容源自机器翻译,可能存在语法或其它翻译错误,仅供参考。如需获取准确内容,请参阅链接中的英语原文或自行翻译。

    尊敬的 Hiroyuki:  

    感谢您提供信息。

    我将在 BQ24617上复制此内容、并让您了解我关于两个充电电流和 STAT1行为的结果。  

    此致、  

    A·克德尔

  • 请注意,本文内容源自机器翻译,可能存在语法或其它翻译错误,仅供参考。如需获取准确内容,请参阅链接中的英语原文或自行翻译。

    尊敬的 Hiroyuki:  

    感谢您的耐心。  

    我只是想跟进观察到的 STAT1行为。  

    您在1.15A 条件下仍观察到此行为吗?

    此致、  

    A·克德尔

  • 请注意,本文内容源自机器翻译,可能存在语法或其它翻译错误,仅供参考。如需获取准确内容,请参阅链接中的英语原文或自行翻译。

    您好、Aya。

    是的、充电电流为1.15A。