This thread has been locked.

If you have a related question, please click the "Ask a related question" button in the top right corner. The newly created question will be automatically linked to this question.

[参考译文] TPS54678:开关波形上升沿发现的毛刺脉冲

Guru**** 2510095 points
Other Parts Discussed in Thread: TPS54678

请注意,本文内容源自机器翻译,可能存在语法或其它翻译错误,仅供参考。如需获取准确内容,请参阅链接中的英语原文或自行翻译。

https://e2e.ti.com/support/power-management-group/power-management/f/power-management-forum/1287302/tps54678-glitch-found-on-rising-edge-of-switching-waveform

器件型号:TPS54678

大家好、我目前使用的是 TPS54678、输入电压为 Vin=3.3V、降压到输出电压为 Vout=0.9V、采用最大输出电流 Iout_max=1.5A 设计。
我发现探测开关节点时、开关波形的上升沿存在干扰。  我曾尝试增加输入电容、但它没有改善干扰。
我想知道这是否有短期直通(意味着底部 FET 短暂导通)的迹象?  

在毛刺上附加一个示波器截图:

该设计的附加电路原理图:

  • 请注意,本文内容源自机器翻译,可能存在语法或其它翻译错误,仅供参考。如需获取准确内容,请参阅链接中的英语原文或自行翻译。

    您好!  

    我将对此进行探讨、明天再与您联系。

    此致

    斯内哈

  • 请注意,本文内容源自机器翻译,可能存在语法或其它翻译错误,仅供参考。如需获取准确内容,请参阅链接中的英语原文或自行翻译。

    您好!

    在我看来、干扰与输入端的噪声有关。  

    您将输入电容器增加了多少? 您是否还能分享您的测量设置的图片?

    谢谢!

    此致

    斯内哈  

  • 请注意,本文内容源自机器翻译,可能存在语法或其它翻译错误,仅供参考。如需获取准确内容,请参阅链接中的英语原文或自行翻译。

    您好、Sneha、对不起、回复太晚了、我没收到消息。  

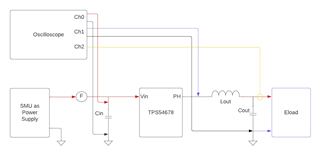
    我已经在其中添加了另外一个类似的22uF (1pc)。 这是一个方框图、展示了测量设置。

    此致
    Yee Yong  

  • 请注意,本文内容源自机器翻译,可能存在语法或其它翻译错误,仅供参考。如需获取准确内容,请参阅链接中的英语原文或自行翻译。

    Yee Yong、

    请进一步增大输入电容器、然后再次进行测量。 请参阅数据表中的典型应用电路。

    此致

    斯内哈  

  • 请注意,本文内容源自机器翻译,可能存在语法或其它翻译错误,仅供参考。如需获取准确内容,请参阅链接中的英语原文或自行翻译。

    尊敬的 Sneha:

    当然,我会尝试这个,并与你回来,但我会花一些时间,请不要关闭这个主题。

    谢谢!
    Yee Yong

  • 请注意,本文内容源自机器翻译,可能存在语法或其它翻译错误,仅供参考。如需获取准确内容,请参阅链接中的英语原文或自行翻译。

    Yee Yong、

    当然可以。 我要等你的答复。

    此致

    斯内哈