您好
在采用 BQ76952的客户设计中、可通过以下原因分析关断故障问题:
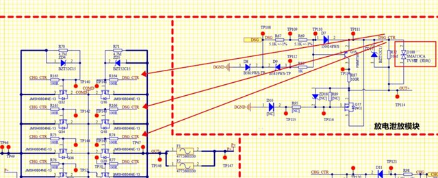
1.由于外部负载是大容性负载、为了使 AFE 快速进入关断模式、我们设计了一个在 P+和 P-之间的泄放电路、如下所示

2、 此放电电路可快速释放负载电容中的能量。 当 P+电压放电至0.8V 以下时、放电电路关闭(关断时间要求在1S 以内)。
微控制器向 AFE 发送关断命令并将 RST_SHUT 引脚拉高以进入关断模式。 但是、AFE 此时无法进入关断模式。 原因是当泄放电路关闭时、容性负载电压会发生反弹(反弹至约3V)。 此时、LD 引脚再次唤醒、导致关断失败、如下所示:

是否有任何措施避免这一问题?
正在等待您的回复。
谢谢
星形




