This thread has been locked.

If you have a related question, please click the "Ask a related question" button in the top right corner. The newly created question will be automatically linked to this question.

[参考译文] BQ76952:BQ76952

Guru**** 2419530 points
Other Parts Discussed in Thread: BQ76952

请注意,本文内容源自机器翻译,可能存在语法或其它翻译错误,仅供参考。如需获取准确内容,请参阅链接中的英语原文或自行翻译。

https://e2e.ti.com/support/power-management-group/power-management/f/power-management-forum/1261277/bq76952-bq76952

器件型号:BQ76952

您好、TI 专家、

我们现有的 BMS-16S 基于 TI 的 BQ7695202。 我们还想堆叠2个 BMS 、形成134.4V 电池组。
单个 BQ7695202工作正常、但当作为堆叠连接2个 BQ7695202时、BQ7695202上侧的电源电压 会下降95%、为什么会做出反应。

  • 请注意,本文内容源自机器翻译,可能存在语法或其它翻译错误,仅供参考。如需获取准确内容,请参阅链接中的英语原文或自行翻译。

    尊敬的 Govinda:

    我不确定您所说的"在 BQ7695202的上侧降低95%电源电压"是什么意思。

    我建议您阅读此 应用手册 其中详细介绍了使用 BQ769x2设计堆叠系统时需要考虑的一些注意事项。 我很乐意回答您的任何其他问题。

    此致、

    马克斯·韦博肯

  • 请注意,本文内容源自机器翻译,可能存在语法或其它翻译错误,仅供参考。如需获取准确内容,请参阅链接中的英语原文或自行翻译。

    尊敬的 Max Verboncoeur:

    感谢您的答复和参考应用手册的建议。 似乎您正在处理 BQ7695202 BMS 模块堆叠配置中的压降问题。


    根据您的描述、您似乎看到第二个 BQ7695202模块堆叠在一起时、其上部的电源电压显著下降。 这种压降可能会导致系统出现操作问题或意外行为。


    堆叠多个 BMS 模块会带来各种挑战、例如模块之间的正常通信、平衡注意事项以及确保电源一致性。 要解决此问题、您可以执行以下几个步骤。



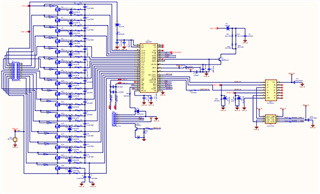
    我也使用文档作为参考。 请按如下所示重新修订原理图后、如果有任何更正让我知道、则我开始测试

    e2e.ti.com/.../7183.BMS_5F00_24S_5F00_Org.pdf

    我已经分享了有关使用单个 BQ76952的一些其他详细信息、一旦修订版也是如此。

    底部   电压(V)
    CP1 15.68
    电池 15.68
    REG1 3.378
    修订版2 5.5
    参考文献18 1.79

    上部   电压(V)
    CP1 14.98
    电池 14.98
    REG1 3.424
    修订版2 5.597
    参考文献18 1.797

     

    此致、

    戈文达

  • 请注意,本文内容源自机器翻译,可能存在语法或其它翻译错误,仅供参考。如需获取准确内容,请参阅链接中的英语原文或自行翻译。

    尊敬的 Govinda:

    我们在您的原理图中注意到了一些问题:

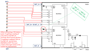
    上部器件的唤醒电路不应将 TS2拉至 GND_B、因为这会被视为负电压并超过引脚的额定值。 而对于唤醒信号、应将其拉至 GND_U。

    我们注意到的另一点是用于故障逻辑的或门。 根据器件的配置(您希望它们彼此相同)、您将需要使用或非门或与门。 如果您的器件配置为在检测到故障时 DDSG 和/或 DCHG 被拉至低电平、则您将需要与门。 如果 DDSG/DCHG 在故障期间被拉高、则您将需要或非门。

    本质上、您需要的是在正常运行期间以及任一器件检测到故障导致输出变为低电平时、数字逻辑的输出应处于高电平。

    希望这对您有所帮助!

    此致、

    马克斯·韦博肯

  • 请注意,本文内容源自机器翻译,可能存在语法或其它翻译错误,仅供参考。如需获取准确内容,请参阅链接中的英语原文或自行翻译。

    您好、Max:


    感谢您对原理图的详细反馈和建议。 非常感谢您的见解、我已经记下了您建议对唤醒电路和故障逻辑进行的更改。 我将确保相应地调整配置、以确保系统正常运行。


    关于在32S BMS 配置中连接70V 电池时 BAT_B+上的压降问题、我遇到了意外差异。 正如您正确提到的、预期电压应约为35V。 不过、在连接电池时、我可以观察到 BAT_B+上的读数仅为3.6V。


    您能就这种显著压降的潜在原因提供一些指导或见解吗? 非常感谢您帮助我们解决此问题并深入了解问题。
    再次感谢您的支持和专业知识。 我期待您的回复。

    我已经分享了一些关于图像文件的明确细节。

    此致、
    戈文达

  • 请注意,本文内容源自机器翻译,可能存在语法或其它翻译错误,仅供参考。如需获取准确内容,请参阅链接中的英语原文或自行翻译。

    您好、Max:



    我已经清楚地共享了一个其他图像文件。 如果您无法正确获取我的点 、请检查此图像。


    此致、
    戈文达

  • 请注意,本文内容源自机器翻译,可能存在语法或其它翻译错误,仅供参考。如需获取准确内容,请参阅链接中的英语原文或自行翻译。

    尊敬的 Govinda:

    这绝对是一种奇怪的行为。

    您能否测量各个电芯之间的电压、看看电芯之间是否存在故障?

    此致、

    马克斯·韦博肯

  • 请注意,本文内容源自机器翻译,可能存在语法或其它翻译错误,仅供参考。如需获取准确内容,请参阅链接中的英语原文或自行翻译。

    尊敬的麦克斯韦:

    每个电芯之间的电压正常。  如果32S BMS 低侧堆叠发生任何变化、我将再次发送原理图进行审阅。

    如果原理图正常、请正确阅读有关堆叠的重要内容。

      

    e2e.ti.com/.../2746.BMS_5F00_24S_5F00_Org.pdf


    此致、
    戈文达

  • 请注意,本文内容源自机器翻译,可能存在语法或其它翻译错误,仅供参考。如需获取准确内容,请参阅链接中的英语原文或自行翻译。

    尊敬的 Govinda:

    进一步查看之后、我们对您的原理图还有一些评论。

    DDSG 和 DCHG

    • R39和 R41不应为0欧姆。
    • R122、R125、R131和 R133应远大于22欧姆。
    • 请参阅的图2 此应用手册这是一个简化的原理图、其中提供了可供参考的示例元件值。
    • REG1和 REG2很可能无法为逻辑门供电。 请参阅 上图、其中使用了单独的12V 稳压器。

    GND_U 和 BAT+_B/BAT-_U

    • 除了 C61和 C62上的电容器之外、我们看不到 GND_U 与电池之间的连接。 GND_U 应直接连接到 BAT+_B/BAT-_U、否则 GND_U 将悬空。

    保护 FET

    • Q23反向。
    • PDSG 和 PCHG 将无法驱动光耦合器。
    • PDSG 和 PCHG FET 将不起作用、因为栅极需要拉至 GND 以下才能导通。
    • 预充电/预放电路径上没有限流电阻器。
    • 参阅  的图8-1 此应用手册 低侧 PCHG 和 PDSG 原理图、便于您参考。

    LD

    • R44和 R45应为10Mohms、不应为0欧姆。
    • 请参阅的图7-1 此应用手册  以该电路的示例为例。

    唤醒

    • 如前文所述、上部器件 TS2上的唤醒电路会将 TS2引脚拉至 GND_B、这将在引脚上产生较大的负电压、并可能损坏器件。 我们推测这是 BAT+_B 为3.6V 的潜在原因。

    我建议查看我所链接的应用手册中的示例原理图、因为它们在进行这些更正时会很有帮助。

    此致、

    马克斯·韦博肯

  • 请注意,本文内容源自机器翻译,可能存在语法或其它翻译错误,仅供参考。如需获取准确内容,请参阅链接中的英语原文或自行翻译。

    尊敬的麦克斯韦:

    在我们的设置中、我们采用32S BMS 配置、我们最近尝试连接70V 电池组。 根据我们的计算、我们预计在 BAT_B+端子上测得大约35V 的电压。 然而、在连接电池时、我们震惊地观察到 BAT_B+上的读数仅为3.6V。 这种差异使我们感到困惑和关切。

    为了进一步调查该问题、我们进行了一些故障排除并进行了有趣的发现。 当我们从电路中移除 D4时、我们能够在 BAT_B+端子上获得预期的35V 读数。 但这样做的代价是禁用 BQ76952_B 组件。

     此致、
    戈文达

  • 请注意,本文内容源自机器翻译,可能存在语法或其它翻译错误,仅供参考。如需获取准确内容,请参阅链接中的英语原文或自行翻译。

    尊敬的 Govinda:

    您能否测量流过下方器件 BAT 引脚上电阻器的电流? 我预计会有大量电流流入器件、并且器件已损坏。

    此致、

    马克斯·韦博肯

  • 请注意,本文内容源自机器翻译,可能存在语法或其它翻译错误,仅供参考。如需获取准确内容,请参阅链接中的英语原文或自行翻译。

    尊敬的麦克斯韦:

    我想讨论一下我们一直面临的器件堆叠以及电流通过 BAT 引脚上的电阻器的问题。 电流过多流入下部器件可能会出现问题、从而可能造成损坏。

    在各个测试中、器件似乎可以正常工作、并且在 BQ76952_B 和 BQ76952_U 上没有观察到压降。 然而、当堆叠在一起时、问题就会出现。

    你在这个问题上的帮助至关重要,我期待你的调查结果。 请提供测试过程中可能存在的任何其他详细信息或观察结果。

    感谢您的配合。

    此致、
    戈文达

  • 请注意,本文内容源自机器翻译,可能存在语法或其它翻译错误,仅供参考。如需获取准确内容,请参阅链接中的英语原文或自行翻译。

    尊敬的 Govinda:

    您是否遵循了我之前在原理图中给出的有关更改的建议?

    此外、我建议阅读以下常见问题解答: (+)[FAQ] BQ76942:BQ769x2堆叠解决方案-电源管理论坛-电源管理- TI E2E 支持论坛

    此致、

    马克斯·韦博肯