This thread has been locked.

If you have a related question, please click the "Ask a related question" button in the top right corner. The newly created question will be automatically linked to this question.

[参考译文] TPS549D22:Webench 设计审查申请

Guru**** 2380370 points
Other Parts Discussed in Thread: TPS549D22, TPS548D22
请注意,本文内容源自机器翻译,可能存在语法或其它翻译错误,仅供参考。如需获取准确内容,请参阅链接中的英语原文或自行翻译。

https://e2e.ti.com/support/power-management-group/power-management/f/power-management-forum/1261854/tps549d22-webench-design-review-request

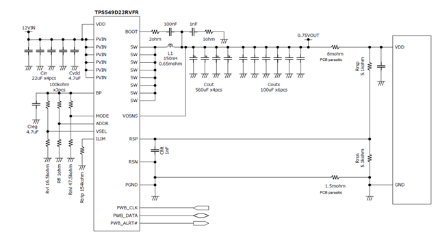
器件型号:TPS549D22
主题中讨论的其他器件: TPS548D22

大家好、

您能否查看随附的 TPS549D22 Webench 设计?

e2e.ti.com/.../12Vto0p75V-40A-WBDesign216.pdf

我的客户有几个关于 R_RSP、R_RSN 和 C_filt 的问题、数据表中没有提到这些问题。

为什么 R_RSP 和 R_RSN 设置为10 Ω?
Cfilt 是否设置为滤除遥感布线中的噪声?
此外、您能否告诉我 R_RSP、R_RSN 和 Cfilt 的布局指南?
是否应将其放置在尽可能靠近器件的位置?

此致、
伊藤

  • 请注意,本文内容源自机器翻译,可能存在语法或其它翻译错误,仅供参考。如需获取准确内容,请参阅链接中的英语原文或自行翻译。

     

    该设计具有大量超过4mF 的输出电容。  仔细检查是否需要该大容量电容、以及是否可以在组装后通过 PMBus 接口更新内部斜坡选择。  使用1xR 斜坡的默认补偿不会充分利用所有输出电容。  如果他们可以将其更新为3xR 斜坡、则将获得更好的性能。

    Unknown 说:

    是的、与 R_RSP 和 R_RSN 一起、Cfilt 为输出电压提供高频滤波。

    此外、您能否告诉我 R_RSP、R_RSN 和 Cfilt 的布局指南?
    是否应将其放置在尽可能靠近器件的位置?

    [/报价]

    Cfilt 应始终尽可能靠近 TPS548D22。

    如果不需要进行节点中断/调节点控制、也应将 R_RSP / R_RSN 放置在靠近 TPS548D22的位置、以便最大限度地减小电阻器和 RSP/RSN 引脚之间的噪声注入面积。

    如果需要节点断开、则可以将其放置在靠近遥感点的位置、但 Cfilt 仍应放置在靠近 RSP/RSN 引脚的位置。

  • 请注意,本文内容源自机器翻译,可能存在语法或其它翻译错误,仅供参考。如需获取准确内容,请参阅链接中的英语原文或自行翻译。

    尊敬的 Peter-San:

    您能否查看随附的原理图?
    我的客户将其修改为反馈电阻器配置、但我认为不正确、因为该设计将输出1.5V、而不是0.75V。
    如果我的客户想要输出0.75V、我的客户应该保持设计不带反馈电阻分压器、因为 VSEL 支持0.75V 电压、对吗?

    此致、
    伊藤

  • 请注意,本文内容源自机器翻译,可能存在语法或其它翻译错误,仅供参考。如需获取准确内容,请参阅链接中的英语原文或自行翻译。

     

    虽然有很多方法可以获得0.75V 输出电压、但他们目前掌握的却不是其中的一种。

    移除 Rrsn 会在 VSEL 至 GND = 16.6kΩ 时将输出电压降低到0.75V (这也会将故障响应设置为在发生故障时闭锁、需要先切换 EN、TPS548D22才会在发生故障后重新启动)

    然而、这会使反馈低通滤波器时间常数保持在5.1μs (31kHz)、 这个值太低(即使62kHz 也比应有的低)、我们通常希望该滤波器频率为低 MHz、要么降低 RSP 和 RSN 之间的滤波电容器、 或从 VOUT 到 RSP 的电阻器。  我发现、100Ω 和330pF - 1000pF 可在1.5 - 5MHz 的带宽下生成3.3ns 至10ns 的时间常数、这两个值通常可以很好地工作。

    如果需要使用分压器、则可以将 VSEL 至 GND 电阻更改为4.64kΩ、从而将基准电压设置为0.6V、将 Rrsn 更改为10kΩ、将 RRSP 更改为2.5kΩ。  这还会将输出电压设置为0.75V (0.6V x (1+RRSP/Rsn)= 0.6V x (1+2.5/10)= 0.6V x 1.25 = 0.75V)。  使用2.5kΩ 和10kΩ、驱动滤波电容器的阻抗为2kΩ、因此滤波电容器为15-47pF。

  • 请注意,本文内容源自机器翻译,可能存在语法或其它翻译错误,仅供参考。如需获取准确内容,请参阅链接中的英语原文或自行翻译。

    尊敬的 Peter-San:

    感谢您提供有关反馈电阻器/电容器设置的建议。

    您能否评论一下更新后的输出电容和 SS?

    我的客户将 最大峰峰电感纹波设置为30%、并将增益电感=150nH 和 Cout 560uF * 4.

    我的客户设置了软启动时间=2ms。

    这种设计可以吗?

    此致、

    伊藤

  • 请注意,本文内容源自机器翻译,可能存在语法或其它翻译错误,仅供参考。如需获取准确内容,请参阅链接中的英语原文或自行翻译。
    您能否评论更新后的输出电容和 SS?

    MODE 电阻器选择2ms 软启动。  0.75V 下的2 840μF 输出电容、只需超过1A 的充电电流、完全在设计的能力范围内。  即使采用最初的1ms 软启动时间、启动充电电流也只约为2A、仍完全在设计的能力范围内。

    [报价 userid="360827" url="~/support/power-management-group/power-management/f/power-management-forum/1261854/tps549d22-webench-design-review-request/4798581 #4798581"]我的客户将 电感纹波最大峰值设置为30%,并获得的电感=150nH 和 Cout 560uF *4。[/报价]

    7.7kHz 的 L-C 谐振频率也可用于 TPS549D22的 D-CAP3补偿。

    初次上电后、他们是否会通过 PMBus 对补偿斜坡进行编程?  为了有效利用如此大的输出电容、应将斜坡从默认 RXT 斜坡增加到更快的 Rx2斜坡?