您好!
我有一个关于 TPS55288 IC 的问题。
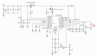
我已经使用与 TPS55288EVM-045评估板完全相同的元件设计和制作了原理图和 PCB、并将它们放置在尺寸小得多的 PCB (约为25mm x 30mm)上、并且注意到了一些意外行为:
通过 I2C 将输出设置为20V、并且输出端没有负载时、评估板会消耗6mA 电流、并且没有组件摘录任何明显的热量(使用 FLIR 热像仪记录)。 ~相同的元件设置并向定制的 PCB 发送相同的 I2C 命令时、电流消耗从~120mA 开始、然后逐渐下降至 16mA (同样、无负载)、电路板上的电感器开始快速升温、最高达70°C。
我已验证所有电阻路径和连接都与评估版相同。 尝试了不同的电容器和电感器组合、改变了开关频率、但这种寄生现象仍然存在。
任何帮助都会被感激,谢谢!
				
