Other Parts Discussed in Thread: TPL7407LA
请注意,本文内容源自机器翻译,可能存在语法或其它翻译错误,仅供参考。如需获取准确内容,请参阅链接中的英语原文或自行翻译。
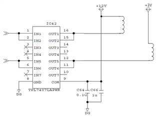
器件型号:TPL7407LA 您好、团队成员:
我的客户正在考虑将此器件用于2个不同的 Vsup 电压、如下所示。 可以吗?

此致、
桑原启
This thread has been locked.
If you have a related question, please click the "Ask a related question" button in the top right corner. The newly created question will be automatically linked to this question.