This thread has been locked.

If you have a related question, please click the "Ask a related question" button in the top right corner. The newly created question will be automatically linked to this question.

[参考译文] UCC5390SCDEVM-010:我们是否可以向 UCC5390S 中的 VEE 提供负输出电源电压?

Guru**** 2515840 points


请注意,本文内容源自机器翻译,可能存在语法或其它翻译错误,仅供参考。如需获取准确内容,请参阅链接中的英语原文或自行翻译。

https://e2e.ti.com/support/power-management-group/power-management/f/power-management-forum/1248497/ucc5390scdevm-010-can-we-give-negative-output-supply-voltage-to-vee-in-ucc5390s

器件型号:UCC5390SCDEVM-010

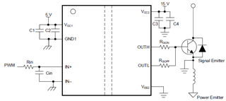
根据 TI 数据表中的建议,对于分离输出栅极驱动器 IC (UCC5390S),VEE 应接地。

在我们用于驱动 SiC MOSFET 的应用中、我们使用负电源电压来关断 FET。

在 Vee 而不是接地施加-ve 电压是否是好主意?

请提供一些相关建议。

  • 请注意,本文内容源自机器翻译,可能存在语法或其它翻译错误,仅供参考。如需获取准确内容,请参阅链接中的英语原文或自行翻译。

    您好、Vivek、

    即使采用双路分离输出版本的栅极驱动器、客户仍可以使用负偏置来驱动 MOSFET。 客户需要将负偏置电源连接到 VEE2、而 MOSFET 的源极仅连接到偏置电源的 GND 连接、从而生成正负电源轨。 通过我们仅有一个输出的双通道之一实现与下图类似的功能。 唯一的区别是 UCC5390S 将具有双路输出。

    此致、

    安迪·罗布勒斯

  • 请注意,本文内容源自机器翻译,可能存在语法或其它翻译错误,仅供参考。如需获取准确内容,请参阅链接中的英语原文或自行翻译。

    Andy HII

    感谢您的建议和详细的解决方案。 我将介绍您的给定解决方案。

    此致、

    Vivek.

  • 请注意,本文内容源自机器翻译,可能存在语法或其它翻译错误,仅供参考。如需获取准确内容,请参阅链接中的英语原文或自行翻译。

    您好、Vivek、

    没问题。 我很乐意提供帮助。

    此致、

    安迪·罗布勒斯