This thread has been locked.

If you have a related question, please click the "Ask a related question" button in the top right corner. The newly created question will be automatically linked to this question.

[参考译文] LM5116:LM5116 HOT

Guru**** 2387080 points
Other Parts Discussed in Thread: LM5116
请注意,本文内容源自机器翻译,可能存在语法或其它翻译错误,仅供参考。如需获取准确内容,请参阅链接中的英语原文或自行翻译。

https://e2e.ti.com/support/power-management-group/power-management/f/power-management-forum/1241569/lm5116-lm5116-hot

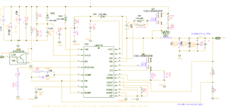
器件型号:LM5116

   负载约为 2W、LM5116芯片和 MOS FET 在正常温度下很烫。

                                                  如何修复它?

  • 请注意,本文内容源自机器翻译,可能存在语法或其它翻译错误,仅供参考。如需获取准确内容,请参阅链接中的英语原文或自行翻译。

    您好,Johnson  

    如果 MOSFET 在2W 负载时很热、则可能存在击穿。 请同时监控 V (HO-SW)和 V (LO-GND)信号并检查足够的死区时间。  

    - EL