请注意,本文内容源自机器翻译,可能存在语法或其它翻译错误,仅供参考。如需获取准确内容,请参阅链接中的英语原文或自行翻译。
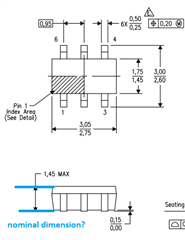
器件型号:LP5907 如果可能、我能否具有此区域的标称尺寸?
如何从现有尺寸进行计算以获得标称值?

This thread has been locked.
If you have a related question, please click the "Ask a related question" button in the top right corner. The newly created question will be automatically linked to this question.
如果可能、我能否具有此区域的标称尺寸?
如何从现有尺寸进行计算以获得标称值?
