主题中讨论的其他器件: LMG1210

这是我的 HI 和 LI 信号、但是 HO 和 LO 信号不交错。
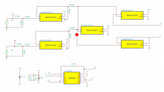
这是我的电路。
IN1输入6MHz 方波、IN2输入500kHz 正弦波。 这两个信号由反相器调制、以生成两个相反6MHz PWM 信号 HI 和 LI。
This thread has been locked.
If you have a related question, please click the "Ask a related question" button in the top right corner. The newly created question will be automatically linked to this question.
尊敬的 Jia-Hua:
听起来您已经确认输入信号在到达栅极驱动器之前正在收敛。 如果只有 IN1影响输出、那么 IN2信号看起来像是发生了一些事情来与 IN1短路/收敛。 这可能是由于逆变器的方向、或将两条路径焊接在一起。 您能否尝试测量原理图中红点的连续性:

具体而言、我希望您可以测量 U2和 U6 Y 引脚的连续性。 这可以帮助我们缩小信号收敛的范围。
此致!
亚历克斯·韦弗
尊敬的 Jia-Hua:
您是对的、此次调试只需要 HI、LI、LO 和 HO。 您不会希望在当前状态下为 FET 供电、因为不交错的输出信号会导致击穿并损坏 GaN FET。
U2Y 和 U6Y 信号似乎适当交错在一起、并产生正确的输入信号、因此问题很可能是在 HI 和 LI 之间进行焊接。从下面的 LMG1205引脚排列中可以看到、 LI 和 HI 引脚在器件上彼此相邻:

您可能需要考虑重新焊接器件、或者研究 LI 和 HI 迹线之间的电路板是否存在明显短路。
此致!
亚历克斯·韦弗
尊敬的 Jia Hua:
HO 输出通常作为差分电压 HO-HS 进行测量、我怀疑您得到非零值的原因是您测量的 HO 相对于接地。 HO 输出未切换、因此我认为器件可能已因击穿而损坏(两个输出同时开启)。 下图是 LMG1205 EVM 用户指南中的开关波形图像:

蓝色输出为 LO 信号、绿色输出为 HO。 您可以尝试使用单个 PWM 输入(HI)并将 LI 输入信号接地、以确认输出是否正常工作。 该器件应能够基于单个输入创建互补输出信号。
此致!
亚历克斯·韦弗
尊敬的 Jia-Hua:
我很高兴听到你能够使驱动程序正常工作! 我将链接一篇有关 优化 GaN 驱动器的数兆赫兹级运行的文章、特别是 LMG1210。 您可以尝试实现肖特基二极管或 PN 结二极管来帮助降低反向恢复损耗。 如果选择使用肖特基二极管、则需要重点选择具有低正向压降和低结电容的二极管。
另外、您的系统是否在输入端遇到噪声? 您可以考虑实施 RC 输入滤波器来帮助消除系统噪声。
此致!
亚历克斯·韦弗