请注意,本文内容源自机器翻译,可能存在语法或其它翻译错误,仅供参考。如需获取准确内容,请参阅链接中的英语原文或自行翻译。
器件型号:LM2596 主题中讨论的其他器件:LMR14020
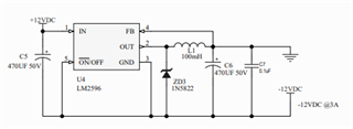
您好、TI 专家...
我的设计具有以下参数:
VIN = 12V
VOUT =-12V
Iout = 3A

是否建议使用该元件进行电压反转? 我已经完成了这项操作、但当我在线圈上施加负载时、线圈开始发出噪声。
如果此组件不适用、您会推荐任何其他组件吗?
This thread has been locked.
If you have a related question, please click the "Ask a related question" button in the top right corner. The newly created question will be automatically linked to this question.