This thread has been locked.

If you have a related question, please click the "Ask a related question" button in the top right corner. The newly created question will be automatically linked to this question.

[参考译文] TPS2116:使用串联的 P 沟道 FET 实现反向电压保护

Guru**** 2529410 points
Other Parts Discussed in Thread: TPS2116, LM7310

请注意,本文内容源自机器翻译,可能存在语法或其它翻译错误,仅供参考。如需获取准确内容,请参阅链接中的英语原文或自行翻译。

https://e2e.ti.com/support/power-management-group/power-management/f/power-management-forum/1208782/tps2116-using-p-ch-fet-in-series-for-reverse-voltage-protection

器件型号:TPS2116
主题中讨论的其他器件: LM7310

您好!
可以将 P-ch FET 与 TPS2116的其中一个输入串联使用吗?

预期值等类似情况。  
谢谢!  

  • 请注意,本文内容源自机器翻译,可能存在语法或其它翻译错误,仅供参考。如需获取准确内容,请参阅链接中的英语原文或自行翻译。

    您好!  

    该 FET 是否可用于反极性保护?  

    我们利用我们的理想二极管控制器(外部 MOSFET)和电子保险丝(外部 MOSFET)产品系列、提供具有反极性保护的集成解决方案。  

    理想二极管控制器产品系列: https://www.ti.com/power-management/power-switches/ideal-diodes-oring-controllers/products.html?keyMatch=IDEAL%20DIODE%20CONTROLLER

    电子保险丝产品系列: https://www.ti.com/power-management/power-switches/efuse-hotswap-controllers/products.html

    LM74500等理想二极管在与外部 N 沟道 MOSFET 配对使用时、可用作反极性保护控制器、从而针对输入电源反转提供低损耗保护、如下所示:

    以下文档在部分中对此进行了进一步详细说明: 5.2基于 P 沟道和反极性保护控制器的解决方案的性能比较

    https://www.ti.com/lit/an/slvae57b/slvae57b.pdf?ts = 167951583577&ref_url=https%253A%252F%252Fwww.google.com%252F

    从电源多路复用器的角度来看、实现任何这些集成方法或 PFET 本身都不会有问题。 如果您对理想二极管或电子保险丝器件还有任何疑问、请创建新主题、以便相应的工程师可以处理您的问题。  

    此致、  

    伊丽莎白  

  • 请注意,本文内容源自机器翻译,可能存在语法或其它翻译错误,仅供参考。如需获取准确内容,请参阅链接中的英语原文或自行翻译。
    此 FET 是否打算用于反极性保护?

    可以。  

    我希望尽量减少元件数量。 我的工作电压为5V、最大为2A。 有什么特别的解决方案吗?
    谢谢!  

    从电源多路复用器的角度来看,实施任何此类集成方法或 PFET 本身都不存在问题。 如果您对理想二极管或电子保险丝器件还有任何疑问、请创建新主题、以便相应的工程师可以处理您的问题。  [/报价]
  • 请注意,本文内容源自机器翻译,可能存在语法或其它翻译错误,仅供参考。如需获取准确内容,请参阅链接中的英语原文或自行翻译。

    您好!  

    也许 LM7310可以在这里作为低电压解决方案。  https://www.ti.com/product/LM7310

    遗憾的是、我无法在这些反极性保护器件上提供最佳支持、因为它们 不是负载开关/PMUX 产品系列的一部分。 请 使用器 件型号 LM7310开始新的话题、以便获得有关此器件的更准确支持。

    重申一下、从电源多路复用器的角度来看、添加与 TPS2116串联的 PFET 是没有问题的。  

    此致、  

    伊丽莎白  

  • 请注意,本文内容源自机器翻译,可能存在语法或其它翻译错误,仅供参考。如需获取准确内容,请参阅链接中的英语原文或自行翻译。

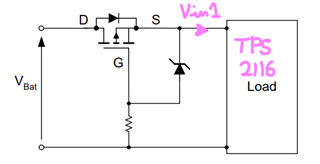
    您好!
    您能为我检查一下这个原理图吗?
    谢谢!

  • 请注意,本文内容源自机器翻译,可能存在语法或其它翻译错误,仅供参考。如需获取准确内容,请参阅链接中的英语原文或自行翻译。

    大家好、Saero、  

    为了澄清、正如当前的原理图所示、VIN1将具有外部反极性保护、但 VIN2不会。  

    假设 VIN1和 VIN2电源轨都为5V、当 IN1降至2V 左右的典型值时、器件将切换到 IN2。  

    可使用以下常见问题解答底部的 Excel 计算器更改外部元件、从而更改该切换电压:  

    https://e2e.ti.com/support/power-management-group/power-management/f/power-management-forum/1023453/faq-tps2121-how-do-i-achieve-a-seamless-power-switchover-using-ti-s-power-mux-devices

    此致、  

    伊丽莎白  

  • 请注意,本文内容源自机器翻译,可能存在语法或其它翻译错误,仅供参考。如需获取准确内容,请参阅链接中的英语原文或自行翻译。

    尊敬的 Elizabeth:
    理想情况下、我需要这样的东西。 VIN2由 USB 供电、USB 在插入笔记本电脑供电时通常无法提供良好的电源输出。 在这种情况下、我需要使用由外部稳定电源提供的5.3V 电压的 VIN1。 我想在 VIN1被移除或者 VIN1上的电压低于4.5V 时切换至 VIN2。  
    另外、对于在何处连接 ST 引脚、我感到有点困惑。 数据表显示其在一张图片中连接到 Vout、 在另一张图片中连接到 PR1。  

    谢谢!  
    Excel 工作表非常有用。  

  • 请注意,本文内容源自机器翻译,可能存在语法或其它翻译错误,仅供参考。如需获取准确内容,请参阅链接中的英语原文或自行翻译。

    大家好、Saero、  

    ST 引脚是一个开漏引脚、可以连接到任何电压轨、以便 ST 信号为高电平、除非被器件拉低。  

    这样、ST 引脚可连接到 Vout 或 PR1。 将 ST 连接到 PR1的好处是、它会在决定在 IN1到 IN2之间切换回 IN1时增加迟滞。 选择 IN2时、ST 被拉至低电平。 如果 ST 连接到 PR1、则会拉低 PR1引脚电压、以确保其从评估点 VPR1>VREF 进一步下降。  

    这是添加到设计中的可选功能、以下常见问题解答中对此进行了进一步介绍: https://e2e.ti.com/support/power-management-group/power-management/f/power-management-forum/1023453/faq-tps2121-how-do-i-achieve-a-seamless-power-switchover-using-ti-s-power-mux-devices

    如果 ST 连接到 PR1、可以通过为 Rhyst 施加电阻、或如果 ST 未连接到 PR1、则可以在具有或不具有迟滞的情况下使用 Excel 工作表、您可以将 Rhyst 保留为0k Ω。  

    对于 IN1降至4.5V 后从 IN1切换到 IN2的情况、您需要在 PR1上放置一个更接近以下值的分压器:  

    这里的示例说明了增加迟滞如何将切换阈值从 IN2更改为 IN1。 在前一个图像中、一旦 IN1超过典型值4.5V、就会再次选择、现在直到它超过典型值4.9V、才会选择 IN1。  

    此致、  

    伊丽莎白  

  • 请注意,本文内容源自机器翻译,可能存在语法或其它翻译错误,仅供参考。如需获取准确内容,请参阅链接中的英语原文或自行翻译。

    尊敬的 Elizabeth:

    谢谢你。 由于这是第一个测试设计、因此我计划跳过迟滞。 您能否查看下面的原理图并建议电路是否可以更简化?
      

  • 请注意,本文内容源自机器翻译,可能存在语法或其它翻译错误,仅供参考。如需获取准确内容,请参阅链接中的英语原文或自行翻译。

    大家好、Saero、  

    原理图看起来很好。 在简化方面、 所需的输入电容的强度将取决于电源的稳定性以及负载是否具有任何寄生电感。  

    由于这是一个测试板、您可以取下一些电容器并观察其性能、以便下一个构建可能使用较小的电容器、但我认为您已经选择了合适的电容值作为起点。  

    在此提醒、请确保将输入和输出旁路电容器放置在靠近器件引脚的布局中。  

    此致、  

    伊丽莎白  

  • 请注意,本文内容源自机器翻译,可能存在语法或其它翻译错误,仅供参考。如需获取准确内容,请参阅链接中的英语原文或自行翻译。

    谢谢!  

  • 请注意,本文内容源自机器翻译,可能存在语法或其它翻译错误,仅供参考。如需获取准确内容,请参阅链接中的英语原文或自行翻译。

    可以将 ST 引脚连接到 MCU、以判断是否使用了 VIN1或 VIN2?  

  • 请注意,本文内容源自机器翻译,可能存在语法或其它翻译错误,仅供参考。如需获取准确内容,请参阅链接中的英语原文或自行翻译。

    Saero,  

    是的、ST 引脚可以连接到 MCU。  只要 ST 引脚上拉至外部电压、ST 引脚就能够正常工作。  

    为了指定、如果 ST 上拉至外部电压、预期的 ST 行为如下:  

    当 TPS2116使用 VIN1为输出供电时、ST 引脚将被外部电压源拉高。 即使器件阻断从 VOUT 到 VIN1的反向电流、选择 VIN1也会使 ST 引脚保持拉高状态。 当 TPS2116使用 VIN2为输出供电时、或两个通道都被禁用时、ST 引脚将被拉至低电平。 在热关断期间、无论使用何种通道、ST 引脚都将被拉低。

    此致、  

    伊丽莎白