您好!
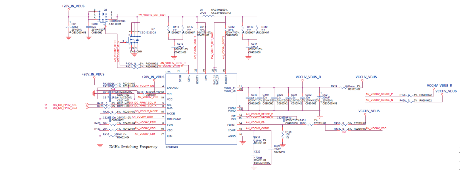
您能否帮助查看下面 Vin = 12V/20V 到 Vout= 20V/4.25A 应用的原理图?

谢谢!
杰夫
This thread has been locked.
If you have a related question, please click the "Ask a related question" button in the top right corner. The newly created question will be automatically linked to this question.
您好!
您能否帮助查看下面 Vin = 12V/20V 到 Vout= 20V/4.25A 应用的原理图?

谢谢!
杰夫
尊敬的 Jeff:
请查看我的以下评论:
(1)建议在输入侧添加两个三个10uF 陶瓷电容器以共享电容器 EC1的输入电流纹波。 并在 Vin-Q6-Q7附近放置一个0.1uF 0402电容器、请参阅布局指南。
(2)由于平均电感约为20V * 4.25A/0.9/12=7.9A、所以电感需要更改为更高的饱和电流电感。 因此电流电感器不合适。
(3)请确保 SCL/SDA 都被上拉至 VCC。
(4)我看到原理图2MHz 上的注释、但 Rfsw=20k、这设置了1MHz 开关频率、这对1MHz 或2MHz 在12Vin/20Vo、4.25A 时是一个挑战、我们建议设置 Fsw=400kHz 并选择4.7uH 电感器。
(5)请将 AGND 用于所有信号引脚、并连接到 VCC 电容器上的 PGND。
(6)强烈建议遵循布局指南、布局对于完美运行非常重要。
www.ti.com/lit/an/slvaer0b/slvaer0b.pdf
(7) MOSFET 对于此类高功率应用和高 Fsw 至关重要、建议选择新的 MOSFET 并使用计算工具估算损耗。
https://www.ti.com/lit/zip/slvrbf9
此致、
布莱斯