大家好!
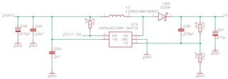
我有一个使用 LMR62421作为电源的电路、我向您展示了设计:

VBAT1是电池的电压、7V 应该出现在输出上、但 VIN 出现在 VOUT 上、这就好像电路不工作、我更换了 LMR62421、我正在使用示波器来查看 SW 引脚的 PWM 信号。 但它不存在无信号、我只能看到同样出现在 SW 上的 VIN 电压、可能会发生什么情况?
This thread has been locked.
If you have a related question, please click the "Ask a related question" button in the top right corner. The newly created question will be automatically linked to this question.
尊敬的 Martin:
在先前的设置中、SW1是否处于开路状态? 如果没有、请尝试一下。 目的是生成空载。

至于顶部标记、与我手头的样片相比、我确实看到了一些差异。 请见下方。 第一张图片是从新鲜样本中拍摄的。 第二个是在~1分钟400°C 气流后从器件中获取的值。


在左上角、我看到有裸露的铜。 设备是否损坏?

您是否可以拆除装置并拍摄底部标记的照片? 很抱歉、我刚刚意识到这个器件的批次追踪代码位于底部。
我已将您的照片发送给我们的质量团队进行检查。 我收到反馈后会立即通知您。
尊重
雷