请注意,本文内容源自机器翻译,可能存在语法或其它翻译错误,仅供参考。如需获取准确内容,请参阅链接中的英语原文或自行翻译。
器件型号:TPSM82866A 大家好、
有人能告诉我下面的1和2标记是什么吗?
我认为1应该是0.25、2应该是0.5、这是为了确保上面没有标记。

此致
This thread has been locked.
If you have a related question, please click the "Ask a related question" button in the top right corner. The newly created question will be automatically linked to this question.
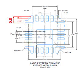
大家好、
有人能告诉我下面的1和2标记是什么吗?
我认为1应该是0.25、2应该是0.5、这是为了确保上面没有标记。

此致