This thread has been locked.

If you have a related question, please click the "Ask a related question" button in the top right corner. The newly created question will be automatically linked to this question.

[参考译文] UCC21520:Ucc21520异常输出

Guru**** 2378650 points
Other Parts Discussed in Thread: UCC21520
请注意,本文内容源自机器翻译,可能存在语法或其它翻译错误,仅供参考。如需获取准确内容,请参阅链接中的英语原文或自行翻译。

https://e2e.ti.com/support/power-management-group/power-management/f/power-management-forum/1210656/ucc21520-ucc21520-abnormal-output

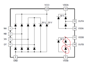
器件型号:UCC21520

您好、

在 SOP 项目中、我的客户发现 UCC21520出现异常输出的情况。 检查低压侧是否正常工作。 高压侧客户测到辅助电源电流正常(无大电流)、VDD、VSS 阻抗正常、但输出一直处于低电平、ABA 后故障不再存在、现在需要提供以下帮助:
1.可能导致输出没有波形的潜在原因
2.内部二极管的耐受电压参数


任何想法请告诉我,谢谢。

  • 请注意,本文内容源自机器翻译,可能存在语法或其它翻译错误,仅供参考。如需获取准确内容,请参阅链接中的英语原文或自行翻译。

    尊敬的 Hangjie:

    1.如果输出始终为低电平,并且 ABA 交换解决了问题,则驱动程序可能已损坏或未完全焊接。 有多少器件在生产中存在此问题? 输入侧电源是否也消耗正常的电源电流? 有时客户会遇到与死区时间引脚上的噪声相关的脉冲缺失问题、但无法完全禁用输出的问题。 如何连接禁用引脚? 您能否分享一下 UCC21520的原理图屏幕截图?

    2.输出级由 NMOSFET 组成,而 NMOSFET 则相反地表现为一个二极管。 因此、该二极管的反向耐受电压为30V、即 VDD VSS 绝对最大额定值。 正向额定功率通常为电流、因为该电压应钳制在0.7V 左右。 您可能会根据部件的功率和热系数得出安全的连续功率等级。 准确识别瞬态电流将更具挑战性。 但是、如果 OUT 短接至 VSS、将会有高电源电流。

    此致、

    肖恩